´ÚŸÀÏÁ¦Ä³½ºÅÍ
´ÚŸÀÏÁ¦¡¤ÀÚÀç(MG-O)±Ý±¸Æ÷ÇÔij½ºÅÍ£¯Ç¥ÁØÇü
(ÁÖ)¿ÀÄ«¸ðÅäÄÚŰ ( OKAMOTO )
|
|
| 62°Ç Áß 1~62°Ç Ç¥½Ã | |
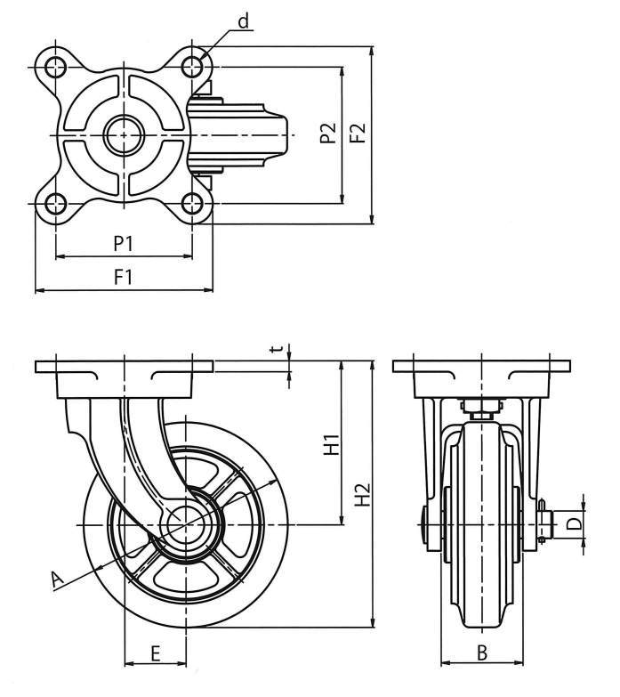
| Çü½Ä | »çÀÌÁî (mm) | Â÷·û | ÃÖ´ëÇÏÁß | ÃÖ´ëÇÏÁß | H2 (mm) | H1 (mm) |
| Çü½Ä | »çÀÌÁî (mm) | Â÷·û | kgf | daN | H2 (mm) | H1 (mm) |
| AMG-O50 | 50 | °í¹« º£¾î¸µ¾øÀ½ | 40 | 39.2 | 77 | 52 |
| CMG-O50 | 50 | º¸ÅëÁÖöº£¾î¸µ¾øÀ½ | 80 | 78.4 | 77 | 52 |
| AMG-O65 | 65 | °í¹« º£¾î¸µ¾øÀ½ | 50 | 49 | 97 | 65 |
| CMG-O65 | 65 | º¸ÅëÁÖöº£¾î¸µ¾øÀ½ | 100 | 98 | 97 | 65 |
| AMG-O75 | 75 | °í¹« º£¾î¸µ¾øÀ½ | 70 | 68.6 | 113 | 75 |
| BMG-O75 | 75 | °í¹«º£¾î¸µµéÀÌ | 70 | 68.6 | 113 | 75 |
| BUMG-O75 | 75 | ¿ì·¹Åºº£¾î¸µµéÀÌ | 160 | 156.8 | 113 | 75 |
| MCAMG-O75 | 75 | MC³ªÀϷк£¾î¸µ¾øÀ½ | 160 | 156.8 | 113 | 75 |
| MCBMG-O75 | 75 | MC³ªÀÏ·Ð º£¾î¸µµéÀÌ | 160 | 156.8 | 113 | 75 |
| CMG-O75 | 75 | º¸ÅëÁÖöº£¾î¸µ¾øÀ½ | 140 | 137.2 | 113 | 75 |
| DMG-O75 | 75 | º¸ÅëÁÖöº£¾î¸µµéÀÌ | 140 | 137.2 | 113 | 75 |
| AMG-O90 | 90 | °í¹« º£¾î¸µ¾øÀ½ | 80 | 78.4 | 135 | 90 |
| BMG-O90 | 90 | °í¹«º£¾î¸µµéÀÌ | 80 | 78.4 | 135 | 90 |
| AMG-O100 | 100 | °í¹« º£¾î¸µ¾øÀ½ | 100 | 98 | 140 | 90 |
| BMG-O100 | 100 | °í¹«º£¾î¸µµéÀÌ | 100 | 98 | 140 | 90 |
| BUMG-O100 | 100 | ¿ì·¹Åºº£¾î¸µµéÀÌ | 210 | 205.8 | 140 | 90 |
| MCAMG-O100 | 100 | MC³ªÀϷк£¾î¸µ¾øÀ½ | 210 | 205.8 | 140 | 90 |
| MCBMG-O100 | 100 | MC³ªÀÏ·Ð º£¾î¸µµéÀÌ | 210 | 205.8 | 140 | 90 |
| CMG-O100 | 100 | ´ÚŸÀϺ£¾î¸µ¾øÀ½ | 200 | 196 | 140 | 90 |
| DMG-O100 | 100 | ´ÚŸÀϺ£¾î¸µµéÀÌ | 200 | 196 | 140 | 90 |
| AMG-O130 | 130 | °í¹« º£¾î¸µ¾øÀ½ | 180 | 176.4 | 170 | 105 |
| BMG-O130 | 130 | °í¹«º£¾î¸µµéÀÌ | 180 | 176.4 | 170 | 105 |
| BUMG-O130 | 130 | ¿ì·¹Åºº£¾î¸µµéÀÌ | 300 | 294 | 170 | 105 |
| MCAMG-O130 | 130 | MC³ªÀϷк£¾î¸µ¾øÀ½ | 360 | 352.8 | 170 | 105 |
| MCBMG-O130 | 130 | MC³ªÀÏ·Ð º£¾î¸µµéÀÌ | 360 | 352.8 | 170 | 105 |
| CMG-O130 | 130 | ´ÚŸÀϺ£¾î¸µ¾øÀ½ | 360 | 352.8 | 170 | 105 |
| DMG-O130 | 130 | ´ÚŸÀϺ£¾î¸µµéÀÌ | 360 | 352.8 | 170 | 105 |
| AMG-O150 | 150 | °í¹« º£¾î¸µ¾øÀ½ | 200 | 196 | 195 | 120 |
| BMG-O150 | 150 | °í¹«º£¾î¸µµéÀÌ | 200 | 196 | 195 | 120 |
| BUMG-O150 | 150 | ¿ì·¹Åºº£¾î¸µµéÀÌ | 350 | 343 | 195 | 120 |
| MCAMG-O150 | 150 | MC³ªÀϷк£¾î¸µ¾øÀ½ | 400 | 392 | 195 | 120 |
| MCBMG-O150 | 150 | MC³ªÀÏ·Ð º£¾î¸µµéÀÌ | 400 | 392 | 195 | 120 |
| CMG-O150 | 150 | ´ÚŸÀϺ£¾î¸µ¾øÀ½ | 400 | 392 | 195 | 120 |
| DMG-O150 | 150 | ´ÚŸÀϺ£¾î¸µµéÀÌ | 400 | 392 | 195 | 120 |
| AMG-O180 | 180 | °í¹« º£¾î¸µ¾øÀ½ | 240 | 235.2 | 225 | 135 |
| BMG-O180 | 180 | °í¹«º£¾î¸µµéÀÌ | 240 | 235.2 | 225 | 135 |
| BUMG-O180 | 180 | ¿ì·¹Åºº£¾î¸µµéÀÌ | 430 | 421.4 | 225 | 135 |
| MCAMG-O180 | 180 | MC³ªÀϷк£¾î¸µ¾øÀ½ | 480 | 470.4 | 225 | 135 |
| MCBMG-O180 | 180 | MC³ªÀÏ·Ð º£¾î¸µµéÀÌ | 480 | 470.4 | 225 | 135 |
| CMG-O180 | 180 | ´ÚŸÀϺ£¾î¸µ¾øÀ½ | 480 | 470.4 | 225 | 135 |
| DMG-O180 | 180 | ´ÚŸÀϺ£¾î¸µµéÀÌ | 480 | 470.4 | 225 | 135 |
| AMG-O200 | 200 | °í¹« º£¾î¸µ¾øÀ½ | 250 | 245 | 250 | 150 |
| BMG-O200 | 200 | °í¹«º£¾î¸µµéÀÌ | 250 | 245 | 250 | 150 |
| BUMG-O200 | 200 | ¿ì·¹Åºº£¾î¸µµéÀÌ | 500 | 490 | 250 | 150 |
| MCAMG-O200 | 200 | MC³ªÀϷк£¾î¸µ¾øÀ½ | 500 | 490 | 250 | 150 |
| MCBMG-O200 | 200 | MC³ªÀÏ·Ð º£¾î¸µµéÀÌ | 500 | 490 | 250 | 150 |
| CMG-O200 | 200 | ´ÚŸÀϺ£¾î¸µ¾øÀ½ | 500 | 490 | 250 | 150 |
| DMG-O200 | 200 | ´ÚŸÀϺ£¾î¸µµéÀÌ | 500 | 490 | 250 | 150 |
| AMG-O250 | 250 | °í¹« º£¾î¸µ¾øÀ½ | 340 | 333.2 | 300 | 175 |
| BMG-O250 | 250 | °í¹«º£¾î¸µµéÀÌ | 340 | 333.2 | 300 | 175 |
| BUMG-O250 | 250 | ¿ì·¹Åºº£¾î¸µµéÀÌ | 650 | 637 | 300 | 175 |
| MCAMG-O250 | 250 | MC³ªÀϷк£¾î¸µ¾øÀ½ | 680 | 666.4 | 300 | 175 |
| MCBMG-O250 | 250 | MC³ªÀÏ·Ð º£¾î¸µµéÀÌ | 680 | 666.4 | 300 | 175 |
| CMG-O250 | 250 | ´ÚŸÀϺ£¾î¸µ¾øÀ½ | 680 | 666.4 | 300 | 175 |
| DMG-O250 | 250 | ´ÚŸÀϺ£¾î¸µµéÀÌ | 680 | 666.4 | 300 | 175 |
| AMG-O300 | 300 | °í¹« º£¾î¸µ¾øÀ½ | 360 | 352.8 | 350 | 200 |
| BMG-O300 | 300 | °í¹«º£¾î¸µµéÀÌ | 360 | 352.8 | 350 | 200 |
| BUMG-O300 | 300 | ¿ì·¹Åºº£¾î¸µµéÀÌ | 750 | 735 | 350 | 200 |
| MCAMG-O300 | 300 | MC³ªÀϷк£¾î¸µ¾øÀ½ | 750 | 735 | 350 | 200 |
| MCBMG-O300 | 300 | MC³ªÀÏ·Ð º£¾î¸µµéÀÌ | 750 | 735 | 350 | 200 |
| CMG-O300 | 300 | ´ÚŸÀϺ£¾î¸µ¾øÀ½ | 720 | 705.6 | 350 | 200 |
| DMG-O300 | 300 | ´ÚŸÀϺ£¾î¸µµéÀÌ | 720 | 705.6 | 350 | 200 |
| Çü½Ä | B (mm) | F1¡¿F2 (mm) | P1¡¿P2 (mm) | d (mm) | E (mm) | D (mm) | t (mm) |
| Çü½Ä | B (mm) | F1¡¿F2 (mm) | P1¡¿P2 (mm) | d (mm) | E (mm) | D (mm) | t (mm) |
| AMG-O50 | 30 | 63¡¿63 | 44¡¿44 | 8 | 17 | 10 | 10 |
| CMG-O50 | 30 | 63¡¿63 | 44¡¿44 | 8 | 17 | 10 | 10 |
| AMG-O65 | 35 | 78¡¿78 | 56¡¿56 | 8 | 20 | 10 | 9 |
| CMG-O65 | 35 | 78¡¿78 | 56¡¿56 | 8 | 20 | 10 | 9 |
| AMG-O75 | 40 | 90¡¿90 | 64¡¿64 | 10 | 26 | 10 | 6.5 |
| BMG-O75 | 40 | 90¡¿90 | 64¡¿64 | 10 | 26 | 10 | 6.5 |
| BUMG-O75 | 40 | 90¡¿90 | 64¡¿64 | 10 | 26 | 10 | 6.5 |
| MCAMG-O75 | 40 | 90¡¿90 | 64¡¿64 | 10 | 26 | 10 | 6.5 |
| MCBMG-O75 | 40 | 90¡¿90 | 64¡¿64 | 10 | 26 | 10 | 6.5 |
| CMG-O75 | 40 | 90¡¿90 | 64¡¿64 | 10 | 26 | 10 | 6.5 |
| DMG-O75 | 40 | 90¡¿90 | 64¡¿64 | 10 | 26 | 10 | 6.5 |
| AMG-O90 | 40 | 100¡¿100 | 70¡¿70 | 12 | 31 | 12 | 11 |
| BMG-O90 | 40 | 100¡¿100 | 70¡¿70 | 12 | 31 | 12 | 11 |
| AMG-O100 | 43 | 118¡¿118 | 88¡¿88 | 12 | 32 | 12 | 8.5 |
| BMG-O100 | 43 | 118¡¿118 | 88¡¿88 | 12 | 32 | 12 | 8.5 |
| BUMG-O100 | 43 | 118¡¿118 | 88¡¿88 | 12 | 32 | 12 | 8.5 |
| MCAMG-O100 | 43 | 118¡¿118 | 88¡¿88 | 12 | 32 | 12 | 8.5 |
| MCBMG-O100 | 43 | 118¡¿118 | 88¡¿88 | 12 | 32 | 12 | 8.5 |
| CMG-O100 | 43 | 118¡¿118 | 88¡¿88 | 12 | 32 | 12 | 8.5 |
| DMG-O100 | 43 | 118¡¿118 | 88¡¿88 | 12 | 32 | 12 | 8.5 |
| AMG-O130 | 56 | 130¡¿130 | 100¡¿100 | 14 | 40 | 20 | 8.5 |
| BMG-O130 | 56 | 130¡¿130 | 100¡¿100 | 14 | 40 | 20 | 8.5 |
| BUMG-O130 | 56 | 130¡¿130 | 100¡¿100 | 14 | 40 | 20 | 8.5 |
| MCAMG-O130 | 56 | 130¡¿130 | 100¡¿100 | 14 | 40 | 20 | 8.5 |
| MCBMG-O130 | 56 | 130¡¿130 | 100¡¿100 | 14 | 40 | 20 | 8.5 |
| CMG-O130 | 56 | 130¡¿130 | 100¡¿100 | 14 | 40 | 20 | 8.5 |
| DMG-O130 | 56 | 130¡¿130 | 100¡¿100 | 14 | 40 | 20 | 8.5 |
| AMG-O150 | 60 | 130¡¿130 | 100¡¿100 | 14 | 45 | 20 | 8.5 |
| BMG-O150 | 60 | 130¡¿130 | 100¡¿100 | 14 | 45 | 20 | 8.5 |
| BUMG-O150 | 60 | 130¡¿130 | 100¡¿100 | 14 | 45 | 20 | 8.5 |
| MCAMG-O150 | 60 | 130¡¿130 | 100¡¿100 | 14 | 45 | 20 | 8.5 |
| MCBMG-O150 | 60 | 130¡¿130 | 100¡¿100 | 14 | 45 | 20 | 8.5 |
| CMG-O150 | 60 | 130¡¿130 | 100¡¿100 | 14 | 45 | 20 | 8.5 |
| DMG-O150 | 60 | 130¡¿130 | 100¡¿100 | 14 | 45 | 20 | 8.5 |
| AMG-O180 | 60 | 154¡¿154 | 115¡¿115 | 14 | 50 | 20 | 10 |
| BMG-O180 | 60 | 154¡¿154 | 115¡¿115 | 14 | 50 | 20 | 10 |
| BUMG-O180 | 60 | 154¡¿154 | 115¡¿115 | 14 | 50 | 20 | 10 |
| MCAMG-O180 | 60 | 154¡¿154 | 115¡¿115 | 14 | 50 | 20 | 10 |
| MCBMG-O180 | 60 | 154¡¿154 | 115¡¿115 | 14 | 50 | 20 | 10 |
| CMG-O180 | 60 | 154¡¿154 | 115¡¿115 | 14 | 50 | 20 | 10 |
| DMG-O180 | 60 | 154¡¿154 | 115¡¿115 | 14 | 50 | 20 | 10 |
| AMG-O200 | 60 | 154¡¿154 | 115¡¿115 | 14 | 55 | 20 | 10 |
| BMG-O200 | 60 | 154¡¿154 | 115¡¿115 | 14 | 55 | 20 | 10 |
| BUMG-O200 | 60 | 154¡¿154 | 115¡¿115 | 14 | 55 | 20 | 10 |
| MCAMG-O200 | 60 | 154¡¿154 | 115¡¿115 | 14 | 55 | 20 | 10 |
| MCBMG-O200 | 60 | 154¡¿154 | 115¡¿115 | 14 | 55 | 20 | 10 |
| CMG-O200 | 60 | 154¡¿154 | 115¡¿115 | 14 | 55 | 20 | 10 |
| DMG-O200 | 60 | 154¡¿154 | 115¡¿115 | 14 | 55 | 20 | 10 |
| AMG-O250 | 70 | 183¡¿183 | 140¡¿140 | 18 | 65 | 25 | 12 |
| BMG-O250 | 70 | 183¡¿183 | 140¡¿140 | 18 | 65 | 25 | 12 |
| BUMG-O250 | 70 | 183¡¿183 | 140¡¿140 | 18 | 65 | 25 | 12 |
| MCAMG-O250 | 70 | 183¡¿183 | 140¡¿140 | 18 | 65 | 25 | 12 |
| MCBMG-O250 | 70 | 183¡¿183 | 140¡¿140 | 18 | 65 | 25 | 12 |
| CMG-O250 | 70 | 183¡¿183 | 140¡¿140 | 18 | 65 | 25 | 12 |
| DMG-O250 | 70 | 183¡¿183 | 140¡¿140 | 18 | 65 | 25 | 12 |
| AMG-O300 | 75 | 190¡¿190 | 145¡¿145 | 18 | 75 | 30 | 11.5 |
| BMG-O300 | 75 | 190¡¿190 | 145¡¿145 | 18 | 75 | 30 | 11.5 |
| BUMG-O300 | 75 | 190¡¿190 | 145¡¿145 | 18 | 75 | 30 | 11.5 |
| MCAMG-O300 | 75 | 190¡¿190 | 145¡¿145 | 18 | 75 | 30 | 11.5 |
| MCBMG-O300 | 75 | 190¡¿190 | 145¡¿145 | 18 | 75 | 30 | 11.5 |
| CMG-O300 | 75 | 190¡¿190 | 145¡¿145 | 18 | 75 | 30 | 11.5 |
| DMG-O300 | 75 | 190¡¿190 | 145¡¿145 | 18 | 75 | 30 | 11.5 |
| Çü½Ä | ´ÜÀ§ | ÆÇ¸ÅÁ¤°¡ (¿ø) | ±âÁس³±â | ±âÁس³±â | ±âÁس³±â | Áú·® | °ßÀûÀÇ·Ú ¹× ÁÖ¹® |
| Çü½Ä | ´ÜÀ§ | ÆÇ¸ÅÁ¤°¡ (¿ø) | À¯ÅëÀç°í | ¸ÞÀÌÄ¿Àç°í | ¾Æ¸°Àç°í | Áú·® | °ßÀûÀÇ·Ú ¹× ÁÖ¹® |
| AMG-O50 | P | 29,480 | - | - | - | - | °ßÀûÀÇ·Ú / ÁÖ¹® |
| CMG-O50 | P | 26,400 | - | - | - | - | °ßÀûÀÇ·Ú / ÁÖ¹® |
| AMG-O65 | P | 41,580 | - | - | - | - | °ßÀûÀÇ·Ú / ÁÖ¹® |
| CMG-O65 | P | 37,400 | - | - | - | - | °ßÀûÀÇ·Ú / ÁÖ¹® |
| AMG-O75 | P | 40,920 | - | - | - | - | °ßÀûÀÇ·Ú / ÁÖ¹® |
| BMG-O75 | P | 55,000 | - | - | - | - | °ßÀûÀÇ·Ú / ÁÖ¹® |
| BUMG-O75 | P | 78,100 | - | - | - | - | °ßÀûÀÇ·Ú / ÁÖ¹® |
| MCAMG-O75 | P | 57,860 | - | - | - | - | °ßÀûÀÇ·Ú / ÁÖ¹® |
| MCBMG-O75 | P | 77,660 | - | - | - | - | °ßÀûÀÇ·Ú / ÁÖ¹® |
| CMG-O75 | P | 34,980 | - | - | - | - | °ßÀûÀÇ·Ú / ÁÖ¹® |
| DMG-O75 | P | 49,940 | - | - | - | - | °ßÀûÀÇ·Ú / ÁÖ¹® |
| AMG-O90 | P | 125,400 | - | - | - | - | °ßÀûÀÇ·Ú / ÁÖ¹® |
| BMG-O90 | P | 166,100 | - | - | - | - | °ßÀûÀÇ·Ú / ÁÖ¹® |
| AMG-O100 | P | 63,800 | - | - | - | - | °ßÀûÀÇ·Ú / ÁÖ¹® |
| BMG-O100 | P | 80,300 | - | - | - | - | °ßÀûÀÇ·Ú / ÁÖ¹® |
| BUMG-O100 | P | 110,000 | - | - | - | - | °ßÀûÀÇ·Ú / ÁÖ¹® |
| MCAMG-O100 | P | 92,400 | - | - | - | - | °ßÀûÀÇ·Ú / ÁÖ¹® |
| MCBMG-O100 | P | 114,400 | - | - | - | - | °ßÀûÀÇ·Ú / ÁÖ¹® |
| CMG-O100 | P | 56,320 | - | - | - | - | °ßÀûÀÇ·Ú / ÁÖ¹® |
| DMG-O100 | P | 72,380 | - | - | - | - | °ßÀûÀÇ·Ú / ÁÖ¹® |
| AMG-O130 | P | 96,360 | - | - | - | - | °ßÀûÀÇ·Ú / ÁÖ¹® |
| BMG-O130 | P | 123,200 | - | - | - | - | °ßÀûÀÇ·Ú / ÁÖ¹® |
| BUMG-O130 | P | 160,600 | - | - | - | - | °ßÀûÀÇ·Ú / ÁÖ¹® |
| MCAMG-O130 | P | 160,600 | - | - | - | - | °ßÀûÀÇ·Ú / ÁÖ¹® |
| MCBMG-O130 | P | 193,600 | - | - | - | - | °ßÀûÀÇ·Ú / ÁÖ¹® |
| CMG-O130 | P | 85,580 | - | - | - | - | °ßÀûÀÇ·Ú / ÁÖ¹® |
| DMG-O130 | P | 112,200 | - | - | - | - | °ßÀûÀÇ·Ú / ÁÖ¹® |
| AMG-O150 | P | 108,680 | - | - | - | - | °ßÀûÀÇ·Ú / ÁÖ¹® |
| BMG-O150 | P | 132,000 | - | - | - | - | °ßÀûÀÇ·Ú / ÁÖ¹® |
| BUMG-O150 | P | 179,300 | - | - | - | - | °ßÀûÀÇ·Ú / ÁÖ¹® |
| MCAMG-O150 | P | 200,200 | - | - | - | - | °ßÀûÀÇ·Ú / ÁÖ¹® |
| MCBMG-O150 | P | 237,600 | - | - | - | - | °ßÀûÀÇ·Ú / ÁÖ¹® |
| CMG-O150 | P | 100,980 | - | - | - | - | °ßÀûÀÇ·Ú / ÁÖ¹® |
| DMG-O150 | P | 123,200 | - | - | - | - | °ßÀûÀÇ·Ú / ÁÖ¹® |
| AMG-O180 | P | 144,100 | - | - | - | - | °ßÀûÀÇ·Ú / ÁÖ¹® |
| BMG-O180 | P | 163,900 | - | - | - | - | °ßÀûÀÇ·Ú / ÁÖ¹® |
| BUMG-O180 | P | 221,100 | - | - | - | - | °ßÀûÀÇ·Ú / ÁÖ¹® |
| MCAMG-O180 | P | 280,500 | - | - | - | - | °ßÀûÀÇ·Ú / ÁÖ¹® |
| MCBMG-O180 | P | 321,200 | - | - | - | - | °ßÀûÀÇ·Ú / ÁÖ¹® |
| CMG-O180 | P | 132,000 | - | - | - | - | °ßÀûÀÇ·Ú / ÁÖ¹® |
| DMG-O180 | P | 156,200 | - | - | - | - | °ßÀûÀÇ·Ú / ÁÖ¹® |
| AMG-O200 | P | 159,500 | - | - | - | - | °ßÀûÀÇ·Ú / ÁÖ¹® |
| BMG-O200 | P | 185,900 | - | - | - | - | °ßÀûÀÇ·Ú / ÁÖ¹® |
| BUMG-O200 | P | 246,400 | - | - | - | - | °ßÀûÀÇ·Ú / ÁÖ¹® |
| MCAMG-O200 | P | 330,000 | - | - | - | - | °ßÀûÀÇ·Ú / ÁÖ¹® |
| MCBMG-O200 | P | 381,700 | - | - | - | - | °ßÀûÀÇ·Ú / ÁÖ¹® |
| CMG-O200 | P | 149,600 | - | - | - | - | °ßÀûÀÇ·Ú / ÁÖ¹® |
| DMG-O200 | P | 171,600 | - | - | - | - | °ßÀûÀÇ·Ú / ÁÖ¹® |
| AMG-O250 | P | 256,300 | - | - | - | - | °ßÀûÀÇ·Ú / ÁÖ¹® |
| BMG-O250 | P | 284,900 | - | - | - | - | °ßÀûÀÇ·Ú / ÁÖ¹® |
| BUMG-O250 | P | 380,600 | - | - | - | - | °ßÀûÀÇ·Ú / ÁÖ¹® |
| MCAMG-O250 | P | 589,600 | - | - | - | - | °ßÀûÀÇ·Ú / ÁÖ¹® |
| MCBMG-O250 | P | 654,500 | - | - | - | - | °ßÀûÀÇ·Ú / ÁÖ¹® |
| CMG-O250 | P | 232,100 | - | - | - | - | °ßÀûÀÇ·Ú / ÁÖ¹® |
| DMG-O250 | P | 262,900 | - | - | - | - | °ßÀûÀÇ·Ú / ÁÖ¹® |
| AMG-O300 | P | 326,700 | - | - | - | - | °ßÀûÀÇ·Ú / ÁÖ¹® |
| BMG-O300 | P | 369,600 | - | - | - | - | °ßÀûÀÇ·Ú / ÁÖ¹® |
| BUMG-O300 | P | 482,900 | - | - | - | - | °ßÀûÀÇ·Ú / ÁÖ¹® |
| MCAMG-O300 | P | 863,500 | - | - | - | - | °ßÀûÀÇ·Ú / ÁÖ¹® |
| MCBMG-O300 | P | 953,700 | - | - | - | - | °ßÀûÀÇ·Ú / ÁÖ¹® |
| CMG-O300 | P | 294,800 | - | - | - | - | °ßÀûÀÇ·Ú / ÁÖ¹® |
| DMG-O300 | P | 339,900 | - | - | - | - | °ßÀûÀÇ·Ú / ÁÖ¹® |
![]() |
- ¾Æ¸°Àç°í°¡ ÀÖ´Â »óǰÀº °áÀç°¡ ¿Ï·áµÇ¸é °áÀçÇÑ ´ÙÀ½³¯ºÎÅÍ 1~3ÀÏ À̳» Àü±¹(µµ¼Áö¹æÁ¦¿Ü)À¸·Î Åù踦 ÅëÇØ ¹è¼ÛµË´Ï´Ù. - ¾Æ¸°Àç°í°¡ ¾ø´Â ¼öÀÔǰÀÇ °æ¿ì´Â ³³Ç°±îÁö ¼öÀÏ ³»Áö ¼öÁÖ°¡ ¼Ò¿äµÉ ¼ö ÀÖÀ¸¹Ç·Î ÁÖ¹®Àü¿¡ ´ç»ç¿¡ ³³±â¸¦ ¹Ì¸® È®ÀÎÇÏ¿© ÁֽʽÿÀ. - Á¦Ç°Å©±â¿¡ µû¶ó Åù質 ȹ°¿î¼Û¾÷ü¸¦ ÅëÇØ ¹è¼ÛÇØ µå¸®¸ç, ÁÖ¹®±Ý¾× 20¸¸¿ø ÀÌÇÏÀÇ °æ¿ì 5,500¿øÀÇ ¹è¼Ûºñ°¡ Ãß°¡µË´Ï´Ù. - Á¦ÁÖµµ µî µµ¼Áö¿ªÀÇ °æ¿ì Ãß°¡¹è¼Û ±Ý¾×ÀÌ ¹ß»ýÇÒ ¼ö ÀÖÀ¸´Ï ÁÖ¹®Àü¿¡ °í°´¼¾ÅÍ·Î ¹®ÀÇ ÁֽʽÿÀ.
|
![]() |
- Á¦Ç°À» ¹Þ¾Æº¸½Ã°í ÀÌ»óÀÌ ÀÖÀ» °æ¿ì¿¡ ÇÑÇÏ¿© ¹è¼Û ÈÄ 14ÀÏ À̳»¿¡ ±³È¯ ¹× ¹ÝǰÀÌ °¡´ÉÇÕ´Ï´Ù. - »óǰ´ë±ÝÀ» ½Å¿ëÄ«µå·Î °áÁ¦ÇÑ °æ¿ì´Â ¸ÅÃâÀ» Ãë¼ÒÇØµå¸®¸ç, ¿Â¶óÀÎÀ¸·Î ÀÔ±ÝÇÑ °æ¿ì¿¡´Â ÁÖ¹®ÀÚÀÇ °èÁ¹øÈ£·Î 3Àϳ»·Î ÀÔ±Ý Ã³¸®ÇØ µå¸³´Ï´Ù. |




















