º¼½ºÅ©·ù
ÀüÁ¶º¼½ºÅ©·ù
ÀϺ»Æ¯¼öº£¾î¸µ(ÁÖ) ( NSB )
|
|
| 54°Ç Áß 1~54°Ç Ç¥½Ã | |
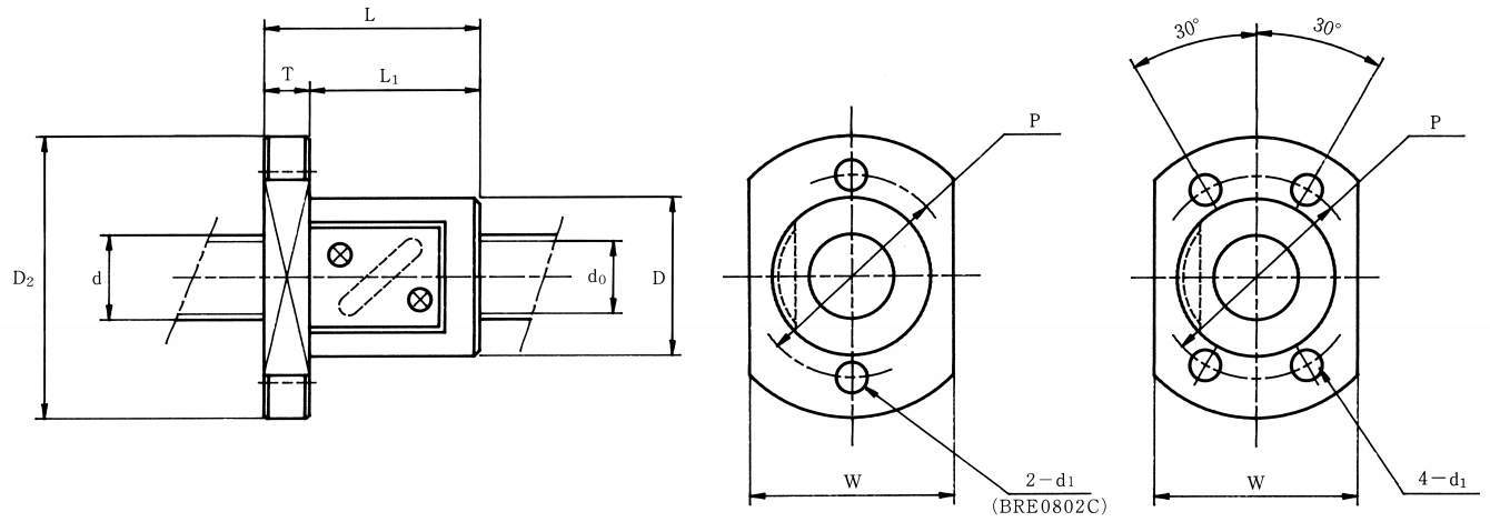
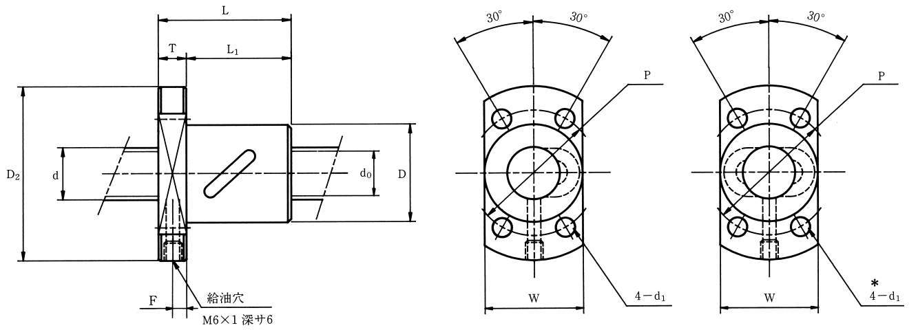
| Çü½Ä | ŸÀÔ | Á¤µµ µî±Þ | Ãà°æ d £¨mm£© | ¸®µå £¨mm£© | ¿Ü°æ D £¨mm£© | ±æÀÌ L £¨mm£© | L1 £¨mm£© | Ç÷£Áö¿Ü°æ D2 £¨mm£© | T £¨mm£© |
| Çü½Ä | ŸÀÔ | Á¤µµ µî±Þ | Ãà°æ d £¨mm£© | ¸®µå £¨mm£© | ¿Ü°æ D £¨mm£© | ±æÀÌ L £¨mm£© | L1 £¨mm£© | Ç÷£Áö¿Ü°æ D2 £¨mm£© | T £¨mm£© |
| BRE1505F-¡àJ | BRE-F | C10 | 15 | 5 | 30 | 45 | 35 | 48 | 10 |
| BRE1510F-¡àJ | BRE-F | C10 | 15 | 10 | 30 | 54 | 44 | 53 | 10 |
| BRE1520F-¡àJ | BRE-F | C10 | 15 | 20 | 30 | 60 | 50 | 53 | 10 |
| BRE2005F-¡àJ | BRE-F | C10 | 20 | 5 | 40 | 45 | 35 | 58 | 10 |
| BRE2010F-¡àJ | BRE-F | C10 | 20 | 10 | 40 | 58 | 46 | 64 | 12 |
| BRE2020F-¡àJ | BRE-F | C10 | 20 | 20 | 35 | 80 | 68 | 62 | 12 |
| BRE2505F-¡àJ | BRE-F | C10 | 25 | 5 | 44 | 62 | 50 | 68 | 12 |
| BRE2510F-¡àJ | BRE-F | C10 | 25 | 10 | 44 | 92 | 77 | 78 | 15 |
| BRE2525F-¡àJ | BRE-F | C10 | 25 | 25 | 44 | 97 | 85 | 78 | 12 |
| BRE3210F-¡àJ | BRE-F | C10 | 32 | 10 | 55 | 97 | 79 | 95 | 18 |
| BRE3232F-¡àJ | BRE-F | C10 | 32 | 32 | 55 | 88 | 73 | 98 | 15 |
| BRE4010F-¡àJ | BRE-F | C10 | 40 | 10 | 65 | 117 | 97 | 114 | 20 |
| BRE4020F-¡àJ | BRE-F | C10 | 40 | 20 | 65 | 93 | 73 | 114 | 20 |
| BRE4040F-¡àJ | BRE-F | C10 | 40 | 40 | 65 | 105 | 87 | 118 | 18 |
| BRE0802C-¡àJ | BRE-C(¹Ì´ÏÃò¾î) | C10 | 8 | 2 | 20 | 28 | 22 | 40 | 6 |
| BRE1002.5C-¡àJ | BRE-C(¹Ì´ÏÃò¾î) | C10 | 10 | 2.5 | 24 | 32 | 24 | 44 | 8 |
| BRE1004C-¡àJ | BRE-C(¹Ì´ÏÃò¾î) | C10 | 10 | 4 | 26 | 34 | 26 | 46 | 8 |
| BRE1010C-¡àJ | BRE-C(¹Ì´ÏÃò¾î) | C10 | 10 | 10 | 28 | 34 | 26 | 47 | 8 |
| BRE1204C-¡àJ | BRE-C(¹Ì´ÏÃò¾î) | C10 | 12 | 4 | 30 | 35 | 27 | 50 | 8 |
| BRE1210C-¡àJ | BRE-C(¹Ì´ÏÃò¾î) | C10 | 12 | 10 | 30 | 44 | 32 | 54 | 12 |
| BRE1505C-¡àJ | BRE-C | C10 | 15 | 5 | 34 | 40 | 30 | 54 | 10 |
| BRE1510C-¡àJ | BRE-C | C10 | 15 | 10 | 34 | 52 | 42 | 57 | 10 |
| BRE1520C-¡àJ | BRE-C | C10 | 15 | 20 | 34 | 59 | 49 | 57 | 10 |
| BRE2005C-¡àJ | BRE-C | C10 | 20 | 5 | 40 | 40 | 30 | 60 | 10 |
| BRE2010C-¡àJ | BRE-C | C10 | 20 | 10 | 52 | 57 | 45 | 82 | 12 |
| BRE2020C-¡àJ | BRE-C | C10 | 20 | 20 | 39 | 78 | 68 | 62 | 10 |
| BRE2505C-¡àJ | BRE-C | C10 | 25 | 5 | 43 | 40 | 30 | 67 | 10 |
| BRE2510C-¡àJ | BRE-C | C10 | 25 | 10 | 60 | 92 | 77 | 96 | 15 |
| BRE2525C-¡àJ | BRE-C | C10 | 25 | 25 | 47 | 96 | 84 | 74 | 12 |
| BRE3210C-¡àJ | BRE-C | C10 | 32 | 10 | 67 | 92 | 77 | 103 | 15 |
| BRE3232C-¡àJ | BRE-C | C10 | 32 | 32 | 58 | 86 | 71 | 92 | 15 |
| BRE4010C-¡àJ | BRE-C | C10 | 40 | 10 | 76 | 93 | 76 | 116 | 17 |
| BRE4020C-¡àJ | BRE-C | C10 | 40 | 20 | 76 | 89 | 72 | 116 | 17 |
| BRE4040C-¡àJ | BRE-C | C10 | 40 | 40 | 73 | 103 | 86 | 114 | 17 |
| BRE1505T-¡àJ | BRE-T | C10 | 15 | 5 | - | 35 | - | - | - |
| BRE2005T-¡àJ | BRE-T | C10 | 20 | 5 | - | 35 | - | - | - |
| BRE2505T-¡àJ | BRE-T | C10 | 25 | 5 | - | 35 | - | - | - |
| BRE2510T-¡àJ | BRE-T | C10 | 25 | 10 | - | 94 | - | - | - |
| BRE3210T-¡àJ | BRE-T | C10 | 32 | 10 | - | 96 | - | - | - |
| BRG0802C-¡àJ | BRG-C(Á¤¹Ð) | C7 | 8 | 2 | 20 | 28 | 22 | 40 | 6 |
| BRG1002.5C-¡àJ | BRG-C(Á¤¹Ð) | C7 | 10 | 2.5 | 24 | 32 | 24 | 44 | 8 |
| BRG1004C-¡àJ | BRG-C(Á¤¹Ð) | C7 | 10 | 4 | 26 | 34 | 26 | 46 | 8 |
| BRG1010C-¡àJ | BRG-C(Á¤¹Ð) | C7 | 10 | 10 | 28 | 34 | 26 | 47 | 8 |
| BRG1204C-¡àJ | BRG-C(Á¤¹Ð) | C7 | 12 | 4 | 30 | 35 | 27 | 50 | 8 |
| BRG1210C-¡àJ | BRG-C(Á¤¹Ð) | C7 | 12 | 10 | 30 | 44 | 32 | 54 | 12 |
| BRG1505C-¡àJ | BRG-C(Á¤¹Ð) | C7 | 15 | 5 | 34 | 40 | 30 | 54 | 10 |
| BRG1510C-¡àJ | BRG-C(Á¤¹Ð) | C7 | 15 | 10 | 34 | 52 | 42 | 57 | 10 |
| BRG1520C-¡àJ | BRG-C(Á¤¹Ð) | C7 | 15 | 20 | 34 | 59 | 49 | 57 | 10 |
| BRG2005C-¡àJ | BRG-C(Á¤¹Ð) | C7 | 20 | 5 | 40 | 40 | 30 | 60 | 10 |
| BRG2010C-¡àJ | BRG-C(Á¤¹Ð) | C7 | 20 | 10 | 52 | 57 | 45 | 82 | 12 |
| BRG2020C-¡àJ | BRG-C(Á¤¹Ð) | C7 | 20 | 20 | 39 | 78 | 68 | 62 | 10 |
| BRG2505C-¡àJ | BRG-C(Á¤¹Ð) | C7 | 25 | 5 | 43 | 40 | 30 | 67 | 10 |
| BRG2510C-¡àJ | BRG-C(Á¤¹Ð) | C7 | 25 | 10 | 60 | 92 | 77 | 96 | 15 |
| BRG2525C-¡àJ | BRG-C(Á¤¹Ð) | C7 | 25 | 25 | 47 | 96 | 84 | 74 | 12 |
| Çü½Ä | F £¨mm£© | ÃëºÎÄ¡¼ö£¨mm£© | ÃëºÎÄ¡¼ö£¨mm£© | ÃëºÎÄ¡¼ö£¨mm£© | ÃëºÎÄ¡¼ö£¨mm£© | ÃëºÎÄ¡¼ö£¨mm£© | ÃëºÎÄ¡¼ö£¨mm£© | ÃëºÎÄ¡¼ö£¨mm£© | ÃëºÎÄ¡¼ö£¨mm£© | ³ôÀÌ A £¨mm£© | J £¨mm£© | K £¨mm£© | h £¨mm£© | E £¨mm£© |
| Çü½Ä | F £¨mm£© | P | W | b | l | t | N | d1 | º¼Æ® | ³ôÀÌ A £¨mm£© | J £¨mm£© | K £¨mm£© | h £¨mm£© | E £¨mm£© |
| BRE1505F-¡àJ | - | 40 | - | - | - | - | - | 4.5 | M4 | - | - | - | - | - |
| BRE1510F-¡àJ | - | 41 | - | - | - | - | - | 5.5 | M5 | - | - | - | - | - |
| BRE1520F-¡àJ | - | 42 | - | - | - | - | - | 5.5 | M5 | - | - | - | - | - |
| BRE2005F-¡àJ | - | 50 | - | - | - | - | - | 4.5 | M4 | - | - | - | - | - |
| BRE2010F-¡àJ | - | 53 | - | - | - | - | - | 6.6 | M6 | - | - | - | - | - |
| BRE2020F-¡àJ | - | 52 | - | - | - | - | - | 5.5 | M5 | - | - | - | - | - |
| BRE2505F-¡àJ | - | 57 | - | - | - | - | - | 6.6 | M6 | - | - | - | - | - |
| BRE2510F-¡àJ | - | 62 | - | - | - | - | - | 9 | M8 | - | - | - | - | - |
| BRE2525F-¡àJ | - | 63 | - | - | - | - | - | 9 | M8 | - | - | - | - | - |
| BRE3210F-¡àJ | - | 75 | - | - | - | - | - | 11 | M10 | - | - | - | - | - |
| BRE3232F-¡àJ | - | 80 | - | - | - | - | - | 11 | M10 | - | - | - | - | - |
| BRE4010F-¡àJ | - | 90 | - | - | - | - | - | 14 | M12 | - | - | - | - | - |
| BRE4020F-¡àJ | - | 90 | - | - | - | - | - | 14 | M12 | - | - | - | - | - |
| BRE4040F-¡àJ | - | 95 | - | - | - | - | - | 14 | M12 | - | - | - | - | - |
| BRE0802C-¡àJ | - | 30 | 24 | - | - | - | - | 4.5 | M4 | - | - | - | - | - |
| BRE1002.5C-¡àJ | - | 34 | 27 | - | - | - | - | 4.5 | M4 | - | - | - | - | - |
| BRE1004C-¡àJ | - | 36 | 28 | - | - | - | - | 4.5 | M4 | - | - | - | - | - |
| BRE1010C-¡àJ | - | 36 | 30 | - | - | - | - | 4.5 | M4 | - | - | - | - | - |
| BRE1204C-¡àJ | - | 40 | 30 | - | - | - | - | 4.5 | M4 | - | - | - | - | - |
| BRE1210C-¡àJ | 5 | 41 | 32 | - | - | - | - | 5.5 | M5 | - | - | - | - | - |
| BRE1505C-¡àJ | 5 | 44 | 34 | - | - | - | - | 4.5 | M4 | - | - | - | - | - |
| BRE1510C-¡àJ | 5 | 45 | 34 | - | - | - | - | 5.5 | M5 | - | - | - | - | - |
| BRE1520C-¡àJ | 5 | 45 | 34 | - | - | - | - | 5.5 | M5 | - | - | - | - | - |
| BRE2005C-¡àJ | 5 | 50 | 40 | - | - | - | - | 4.5 | M4 | - | - | - | - | - |
| BRE2010C-¡àJ | 5 | 67 | 52 | - | - | - | - | 6.6 | M6 | - | - | - | - | - |
| BRE2020C-¡àJ | 5 | 50 | 39 | - | - | - | - | 5.5 | M5 | - | - | - | - | - |
| BRE2505C-¡àJ | 5 | 55 | 43 | - | - | - | - | 5.5 | M5 | - | - | - | - | - |
| BRE2510C-¡àJ | 5 | 78 | 60 | - | - | - | - | 9 | M8 | - | - | - | - | - |
| BRE2525C-¡àJ | 6 | 60 | 47 | - | - | - | - | 6.6 | M6 | - | - | - | - | - |
| BRE3210C-¡àJ | 5 | 85 | 67 | - | - | - | - | 9 | M8 | - | - | - | - | - |
| BRE3232C-¡àJ | 7.5 | 74 | 58 | - | - | - | - | 9 | M8 | - | - | - | - | - |
| BRE4010C-¡àJ | 7 | 96 | 76 | - | - | - | - | 11 | M10 | - | - | - | - | - |
| BRE4020C-¡àJ | 7 | 96 | 76 | - | - | - | - | 11 | M10 | - | - | - | - | - |
| BRE4040C-¡àJ | 8.5 | 93 | 73 | - | - | - | - | 11 | M10 | - | - | - | - | - |
| BRE1505T-¡àJ | 6 | - | 34 | 26 | 22 | M4 | 7 | - | - | 31 | 13 | 17 | 6 | 2 |
| BRE2005T-¡àJ | 5 | - | 48 | 35 | 22 | M6 | 10 | - | - | 39 | 17 | 24 | 9 | 3 |
| BRE2505T-¡àJ | 7 | - | 60 | 40 | 22 | M8 | 12 | - | - | 45 | 20 | 30 | 9.5 | 5 |
| BRE2510T-¡àJ | 10 | - | 60 | 40 | 60 | M8 | 12 | - | - | 53 | 23 | 30 | 10 | - |
| BRE3210T-¡àJ | 11 | - | 86 | 60 | 60 | M10 | 16 | - | - | 67 | 29 | 43 | 17 | - |
| BRG0802C-¡àJ | - | 30 | 24 | - | - | - | - | 4.5 | - | - | - | - | - | - |
| BRG1002.5C-¡àJ | - | 34 | 27 | - | - | - | - | 4.5 | - | - | - | - | - | - |
| BRG1004C-¡àJ | - | 36 | 28 | - | - | - | - | 4.5 | - | - | - | - | - | - |
| BRG1010C-¡àJ | - | 36 | 30 | - | - | - | - | 4.5 | - | - | - | - | - | - |
| BRG1204C-¡àJ | - | 40 | 30 | - | - | - | - | 4.5 | - | - | - | - | - | - |
| BRG1210C-¡àJ | 5 | 41 | 32 | - | - | - | - | 5.5 | - | - | - | - | - | - |
| BRG1505C-¡àJ | 5 | 44 | 34 | - | - | - | - | 4.5 | - | - | - | - | - | - |
| BRG1510C-¡àJ | 5 | 45 | 34 | - | - | - | - | 5.5 | - | - | - | - | - | - |
| BRG1520C-¡àJ | 5 | 45 | 34 | - | - | - | - | 5.5 | - | - | - | - | - | - |
| BRG2005C-¡àJ | 5 | 50 | 40 | - | - | - | - | 4.5 | - | - | - | - | - | - |
| BRG2010C-¡àJ | 5 | 67 | 52 | - | - | - | - | 6.6 | - | - | - | - | - | - |
| BRG2020C-¡àJ | 5 | 50 | 39 | - | - | - | - | 5.5 | - | - | - | - | - | - |
| BRG2505C-¡àJ | 5 | 55 | 43 | - | - | - | - | 5.5 | - | - | - | - | - | - |
| BRG2510C-¡àJ | 5 | 78 | 60 | - | - | - | - | 9 | - | - | - | - | - | - |
| BRG2525C-¡àJ | 6 | 60 | 47 | - | - | - | - | 6.6 | - | - | - | - | - | - |
| Çü½Ä | º¼Á÷°æ £¨mm£© | °î°æ d0 | ±Ç¼ö¡¿¿ | «Á«å?«ÖÔ±ª²£¨mm£© | «Á«å?«ÖÔ±ª²£¨mm£© | «Á«å?«ÖÔ±ª²£¨mm£© | Ãà¹æÇâ °£°Ý £¨mm£© | ±âº»Á¤°ÝÇÏÁß (kN) | ±âº»Á¤°ÝÇÏÁß (kN) |
| Çü½Ä | º¼Á÷°æ £¨mm£© | °î°æ d0 | ±Ç¼ö¡¿¿ | X | Y | R | Ãà¹æÇâ °£°Ý £¨mm£© | µ¿Á¤°Ý | Á¤Á¤°Ý |
| BRE1505F-¡àJ | 3.175 | 12.5 | 2.5¡¿1 | 22 | 23 | 7 | 0.10ÀÌÇÏ | 5 | 10.3 |
| BRE1510F-¡àJ | 3.175 | 12.5 | 2.5¡¿1 | 22 | 23 | 7 | 0.10ÀÌÇÏ | 5 | 10.3 |
| BRE1520F-¡àJ | 3.175 | 12.5 | 1.5¡¿2 | 22 | 23 | 7 | 0.10ÀÌÇÏ | 5.7 | 13 |
| BRE2005F-¡àJ | 3.175 | 17.5 | 2.5¡¿1 | 27 | 28 | 10 | 0.10ÀÌÇÏ | 6 | 14.4 |
| BRE2010F-¡àJ | 4.763 | 16.3 | 2.5¡¿1 | 30 | 30 | 12 | 0.15ÀÌÇÏ | 10.4 | 22.2 |
| BRE2020F-¡àJ | 3.175 | 17.5 | 2.5¡¿1 | 25 | 28 | 8 | 0.10ÀÌÇÏ | 6.1 | 14.4 |
| BRE2505F-¡àJ | 3.175 | 21.8 | 2.5¡¿2 | 29 | 33 | 10 | 0.10ÀÌÇÏ | 11.7 | 36.6 |
| BRE2510F-¡àJ | 6.35 | 20.3 | 2.5¡¿2 | 35 | 39 | 17 | 0.20ÀÌÇÏ | 27 | 74.8 |
| BRE2525F-¡àJ | 3.969 | 21.5 | 2.5¡¿1 | 31 | 33 | 10 | 0.12ÀÌÇÏ | 9.1 | 22.2 |
| BRE3210F-¡àJ | 6.35 | 27.2 | 2.5¡¿2 | 39 | 45 | 17 | 0.20ÀÌÇÏ | 32.1 | 85 |
| BRE3232F-¡àJ | 4.763 | 27.8 | 1.5¡¿2 | 37 | 40 | 12 | 0.15ÀÌÇÏ | 14.3 | 38.1 |
| BRE4010F-¡àJ | 6.35 | 35.1 | 3.5¡¿2 | 44 | 53 | 20 | 0.20ÀÌÇÏ | 48.6 | 150.6 |
| BRE4020F-¡àJ | 6.35 | 35.1 | 2.5¡¿2 | 44 | 53 | 17 | 0.20ÀÌÇÏ | 36.4 | 103.5 |
| BRE4040F-¡àJ | 6.35 | 35.1 | 1.5¡¿2 | 44 | 50 | 15 | 0.20ÀÌÇÏ | 23.4 | 65.6 |
| BRE0802C-¡àJ | 1.588 | 6.6 | 3.5¡¿1 | - | - | - | 0.05ÀÌÇÏ | 1.8 | 3.1 |
| BRE1002.5C-¡àJ | 2 | 8.2 | 3.5¡¿1 | - | - | - | 0.05ÀÌÇÏ | 2.5 | 5 |
| BRE1004C-¡àJ | 2.381 | 7.8 | 2.5¡¿1 | - | - | - | 0.05ÀÌÇÏ | 2.3 | 4.8 |
| BRE1010C-¡àJ | 2.381 | 7.8 | 1.5¡¿1 | - | - | - | 0.05ÀÌÇÏ | 1.8 | 3.2 |
| BRE1204C-¡àJ | 2.381 | 10 | 2.5¡¿1 | - | - | - | 0.05ÀÌÇÏ | 2.5 | 5.7 |
| BRE1210C-¡àJ | 3.175 | 9.6 | 1.5¡¿1 | - | - | - | 0.05ÀÌÇÏ | 2.8 | 4.9 |
| BRE1505C-¡àJ | 3.175 | 12.5 | 2.5¡¿1 | - | - | - | 0.10ÀÌÇÏ | 5 | 10.3 |
| BRE1510C-¡àJ | 3.175 | 12.5 | 2.5¡¿1 | - | - | - | 0.10ÀÌÇÏ | 5 | 10.3 |
| BRE1520C-¡àJ | 3.175 | 12.5 | 1.5¡¿2 | - | - | - | 0.10ÀÌÇÏ | 5.7 | 13 |
| BRE2005C-¡àJ | 3.175 | 17.5 | 2.5¡¿1 | - | - | - | 0.10ÀÌÇÏ | 6.1 | 14.4 |
| BRE2010C-¡àJ | 4.763 | 16.3 | 2.5¡¿1 | - | - | - | 0.15ÀÌÇÏ | 10.4 | 22.2 |
| BRE2020C-¡àJ | 3.175 | 17.5 | 2.5¡¿1 | - | - | - | 0.10ÀÌÇÏ | 6.1 | 14.4 |
| BRE2505C-¡àJ | 3.175 | 21.8 | 2.5¡¿1 | - | - | - | 0.10ÀÌÇÏ | 6.5 | 18.3 |
| BRE2510C-¡àJ | 6.35 | 20.3 | 2.5¡¿2 | - | - | - | 0.20ÀÌÇÏ | 27 | 74.8 |
| BRE2525C-¡àJ | 3.969 | 21.5 | 2.5¡¿1 | - | - | - | 0.12ÀÌÇÏ | 9.1 | 22.2 |
| BRE3210C-¡àJ | 6.35 | 27.2 | 2.5¡¿2 | - | - | - | 0.20ÀÌÇÏ | 32.1 | 85 |
| BRE3232C-¡àJ | 4.763 | 27.8 | 1.5¡¿2 | - | - | - | 0.15ÀÌÇÏ | 14.3 | 38.1 |
| BRE4010C-¡àJ | 6.35 | 35.1 | 2.5¡¿2 | - | - | - | 0.20ÀÌÇÏ | 36.4 | 103.5 |
| BRE4020C-¡àJ | 6.35 | 35.1 | 2.5¡¿2 | - | - | - | 0.20ÀÌÇÏ | 36.4 | 103.5 |
| BRE4040C-¡àJ | 6.35 | 35.1 | 1.5¡¿2 | - | - | - | 0.20ÀÌÇÏ | 23.4 | 65.6 |
| BRE1505T-¡àJ | 3.175 | 12.5 | 2.5¡¿1 | 18 | 17 | - | 0.10ÀÌÇÏ | 5 | 10.3 |
| BRE2005T-¡àJ | 3.175 | 17.5 | 2.5¡¿1 | 22 | 25 | - | 0.10ÀÌÇÏ | 6 | 14.4 |
| BRE2505T-¡àJ | 3.175 | 21.8 | 2.5¡¿1 | 25 | 29 | - | 0.10ÀÌÇÏ | 6.5 | 18.3 |
| BRE2510T-¡àJ | 6.35 | 20.3 | 2.5¡¿2 | 30 | 32 | - | 0.20ÀÌÇÏ | 27 | 74.8 |
| BRE3210T-¡àJ | 6.35 | 27.2 | 2.5¡¿2 | 38 | 38 | - | 0.20ÀÌÇÏ | 32.1 | 85 |
| BRG0802C-¡àJ | - | 6.6 | 3.5¡¿1 | - | - | - | 0.03ÀÌÇÏ | 1.8 | 3.1 |
| BRG1002.5C-¡àJ | - | 8.2 | 3.5¡¿1 | - | - | - | 0.03ÀÌÇÏ | 2.5 | 5 |
| BRG1004C-¡àJ | - | 7.8 | 2.5¡¿1 | - | - | - | 0.03ÀÌÇÏ | 2.3 | 4.8 |
| BRG1010C-¡àJ | - | 7.8 | 1.5¡¿1 | - | - | - | 0.03ÀÌÇÏ | 1.8 | 3.2 |
| BRG1204C-¡àJ | - | 10 | 2.5¡¿1 | - | - | - | 0.03ÀÌÇÏ | 2.5 | 5.7 |
| BRG1210C-¡àJ | - | 9.6 | 1.5¡¿1 | - | - | - | 0.03ÀÌÇÏ | 2.8 | 4.9 |
| BRG1505C-¡àJ | - | 12.5 | 2.5¡¿1 | - | - | - | 0.03ÀÌÇÏ | 5 | 10.3 |
| BRG1510C-¡àJ | - | 12.5 | 2.5¡¿1 | - | - | - | 0.03ÀÌÇÏ | 5 | 10.3 |
| BRG1520C-¡àJ | - | 12.5 | 1.5¡¿2 | - | - | - | 0.03ÀÌÇÏ | 5.7 | 13 |
| BRG2005C-¡àJ | - | 17.5 | 2.5¡¿1 | - | - | - | 0.03ÀÌÇÏ | 6.1 | 14.4 |
| BRG2010C-¡àJ | - | 16.3 | 2.5¡¿1 | - | - | - | 0.05ÀÌÇÏ | 10.4 | 22.2 |
| BRG2020C-¡àJ | - | 17.5 | 2.5¡¿1 | - | - | - | 0.03ÀÌÇÏ | 6.1 | 14.4 |
| BRG2505C-¡àJ | - | 21.8 | 2.5¡¿1 | - | - | - | 0.03ÀÌÇÏ | 6.5 | 18.3 |
| BRG2510C-¡àJ | - | 20.3 | 2.5¡¿2 | - | - | - | 0.07ÀÌÇÏ | 27 | 74.8 |
| BRG2525C-¡àJ | - | 21.5 | 2.5¡¿1 | - | - | - | 0.05ÀÌÇÏ | 9.1 | 22.2 |
| Çü½Ä | ´ÜÀ§ | ÆÇ¸ÅÁ¤°¡ (¿ø) | ±âÁس³±â | ±âÁس³±â | ±âÁس³±â | Áú·® | °ßÀûÀÇ·Ú ¹× ÁÖ¹® |
| Çü½Ä | ´ÜÀ§ | ÆÇ¸ÅÁ¤°¡ (¿ø) | À¯ÅëÀç°í | ¸ÞÀÌÄ¿Àç°í | ¾Æ¸°Àç°í | Áú·® | °ßÀûÀÇ·Ú ¹× ÁÖ¹® |
| BRE1505F-¡àJ | P | °ßÀû | - | - | - | - | °ßÀûÀÇ·Ú / ÁÖ¹® |
| BRE1510F-¡àJ | P | °ßÀû | - | - | - | - | °ßÀûÀÇ·Ú / ÁÖ¹® |
| BRE1520F-¡àJ | P | °ßÀû | - | - | - | - | °ßÀûÀÇ·Ú / ÁÖ¹® |
| BRE2005F-¡àJ | P | °ßÀû | - | - | - | - | °ßÀûÀÇ·Ú / ÁÖ¹® |
| BRE2010F-¡àJ | P | °ßÀû | - | - | - | - | °ßÀûÀÇ·Ú / ÁÖ¹® |
| BRE2020F-¡àJ | P | °ßÀû | - | - | - | - | °ßÀûÀÇ·Ú / ÁÖ¹® |
| BRE2505F-¡àJ | P | °ßÀû | - | - | - | - | °ßÀûÀÇ·Ú / ÁÖ¹® |
| BRE2510F-¡àJ | P | °ßÀû | - | - | - | - | °ßÀûÀÇ·Ú / ÁÖ¹® |
| BRE2525F-¡àJ | P | °ßÀû | - | - | - | - | °ßÀûÀÇ·Ú / ÁÖ¹® |
| BRE3210F-¡àJ | P | °ßÀû | - | - | - | - | °ßÀûÀÇ·Ú / ÁÖ¹® |
| BRE3232F-¡àJ | P | °ßÀû | - | - | - | - | °ßÀûÀÇ·Ú / ÁÖ¹® |
| BRE4010F-¡àJ | P | °ßÀû | - | - | - | - | °ßÀûÀÇ·Ú / ÁÖ¹® |
| BRE4020F-¡àJ | P | °ßÀû | - | - | - | - | °ßÀûÀÇ·Ú / ÁÖ¹® |
| BRE4040F-¡àJ | P | °ßÀû | - | - | - | - | °ßÀûÀÇ·Ú / ÁÖ¹® |
| BRE0802C-¡àJ | P | °ßÀû | - | - | - | - | °ßÀûÀÇ·Ú / ÁÖ¹® |
| BRE1002.5C-¡àJ | P | °ßÀû | - | - | - | - | °ßÀûÀÇ·Ú / ÁÖ¹® |
| BRE1004C-¡àJ | P | °ßÀû | - | - | - | - | °ßÀûÀÇ·Ú / ÁÖ¹® |
| BRE1010C-¡àJ | P | °ßÀû | - | - | - | - | °ßÀûÀÇ·Ú / ÁÖ¹® |
| BRE1204C-¡àJ | P | °ßÀû | - | - | - | - | °ßÀûÀÇ·Ú / ÁÖ¹® |
| BRE1210C-¡àJ | P | °ßÀû | - | - | - | - | °ßÀûÀÇ·Ú / ÁÖ¹® |
| BRE1505C-¡àJ | P | °ßÀû | - | - | - | - | °ßÀûÀÇ·Ú / ÁÖ¹® |
| BRE1510C-¡àJ | P | °ßÀû | - | - | - | - | °ßÀûÀÇ·Ú / ÁÖ¹® |
| BRE1520C-¡àJ | P | °ßÀû | - | - | - | - | °ßÀûÀÇ·Ú / ÁÖ¹® |
| BRE2005C-¡àJ | P | °ßÀû | - | - | - | - | °ßÀûÀÇ·Ú / ÁÖ¹® |
| BRE2010C-¡àJ | P | °ßÀû | - | - | - | - | °ßÀûÀÇ·Ú / ÁÖ¹® |
| BRE2020C-¡àJ | P | °ßÀû | - | - | - | - | °ßÀûÀÇ·Ú / ÁÖ¹® |
| BRE2505C-¡àJ | P | °ßÀû | - | - | - | - | °ßÀûÀÇ·Ú / ÁÖ¹® |
| BRE2510C-¡àJ | P | °ßÀû | - | - | - | - | °ßÀûÀÇ·Ú / ÁÖ¹® |
| BRE2525C-¡àJ | P | °ßÀû | - | - | - | - | °ßÀûÀÇ·Ú / ÁÖ¹® |
| BRE3210C-¡àJ | P | °ßÀû | - | - | - | - | °ßÀûÀÇ·Ú / ÁÖ¹® |
| BRE3232C-¡àJ | P | °ßÀû | - | - | - | - | °ßÀûÀÇ·Ú / ÁÖ¹® |
| BRE4010C-¡àJ | P | °ßÀû | - | - | - | - | °ßÀûÀÇ·Ú / ÁÖ¹® |
| BRE4020C-¡àJ | P | °ßÀû | - | - | - | - | °ßÀûÀÇ·Ú / ÁÖ¹® |
| BRE4040C-¡àJ | P | °ßÀû | - | - | - | - | °ßÀûÀÇ·Ú / ÁÖ¹® |
| BRE1505T-¡àJ | P | °ßÀû | - | - | - | - | °ßÀûÀÇ·Ú / ÁÖ¹® |
| BRE2005T-¡àJ | P | °ßÀû | - | - | - | - | °ßÀûÀÇ·Ú / ÁÖ¹® |
| BRE2505T-¡àJ | P | °ßÀû | - | - | - | - | °ßÀûÀÇ·Ú / ÁÖ¹® |
| BRE2510T-¡àJ | P | °ßÀû | - | - | - | - | °ßÀûÀÇ·Ú / ÁÖ¹® |
| BRE3210T-¡àJ | P | °ßÀû | - | - | - | - | °ßÀûÀÇ·Ú / ÁÖ¹® |
| BRG0802C-¡àJ | P | °ßÀû | - | - | - | - | °ßÀûÀÇ·Ú / ÁÖ¹® |
| BRG1002.5C-¡àJ | P | °ßÀû | - | - | - | - | °ßÀûÀÇ·Ú / ÁÖ¹® |
| BRG1004C-¡àJ | P | °ßÀû | - | - | - | - | °ßÀûÀÇ·Ú / ÁÖ¹® |
| BRG1010C-¡àJ | P | °ßÀû | - | - | - | - | °ßÀûÀÇ·Ú / ÁÖ¹® |
| BRG1204C-¡àJ | P | °ßÀû | - | - | - | - | °ßÀûÀÇ·Ú / ÁÖ¹® |
| BRG1210C-¡àJ | P | °ßÀû | - | - | - | - | °ßÀûÀÇ·Ú / ÁÖ¹® |
| BRG1505C-¡àJ | P | °ßÀû | - | - | - | - | °ßÀûÀÇ·Ú / ÁÖ¹® |
| BRG1510C-¡àJ | P | °ßÀû | - | - | - | - | °ßÀûÀÇ·Ú / ÁÖ¹® |
| BRG1520C-¡àJ | P | °ßÀû | - | - | - | - | °ßÀûÀÇ·Ú / ÁÖ¹® |
| BRG2005C-¡àJ | P | °ßÀû | - | - | - | - | °ßÀûÀÇ·Ú / ÁÖ¹® |
| BRG2010C-¡àJ | P | °ßÀû | - | - | - | - | °ßÀûÀÇ·Ú / ÁÖ¹® |
| BRG2020C-¡àJ | P | °ßÀû | - | - | - | - | °ßÀûÀÇ·Ú / ÁÖ¹® |
| BRG2505C-¡àJ | P | °ßÀû | - | - | - | - | °ßÀûÀÇ·Ú / ÁÖ¹® |
| BRG2510C-¡àJ | P | °ßÀû | - | - | - | - | °ßÀûÀÇ·Ú / ÁÖ¹® |
| BRG2525C-¡àJ | P | °ßÀû | - | - | - | - | °ßÀûÀÇ·Ú / ÁÖ¹® |
![]() |
- ¾Æ¸°Àç°í°¡ ÀÖ´Â »óǰÀº °áÀç°¡ ¿Ï·áµÇ¸é °áÀçÇÑ ´ÙÀ½³¯ºÎÅÍ 1~3ÀÏ À̳» Àü±¹(µµ¼Áö¹æÁ¦¿Ü)À¸·Î Åù踦 ÅëÇØ ¹è¼ÛµË´Ï´Ù. - ¾Æ¸°Àç°í°¡ ¾ø´Â ¼öÀÔǰÀÇ °æ¿ì´Â ³³Ç°±îÁö ¼öÀÏ ³»Áö ¼öÁÖ°¡ ¼Ò¿äµÉ ¼ö ÀÖÀ¸¹Ç·Î ÁÖ¹®Àü¿¡ ´ç»ç¿¡ ³³±â¸¦ ¹Ì¸® È®ÀÎÇÏ¿© ÁֽʽÿÀ. - Á¦Ç°Å©±â¿¡ µû¶ó Åù質 ȹ°¿î¼Û¾÷ü¸¦ ÅëÇØ ¹è¼ÛÇØ µå¸®¸ç, ÁÖ¹®±Ý¾× 20¸¸¿ø ÀÌÇÏÀÇ °æ¿ì 5,500¿øÀÇ ¹è¼Ûºñ°¡ Ãß°¡µË´Ï´Ù. - Á¦ÁÖµµ µî µµ¼Áö¿ªÀÇ °æ¿ì Ãß°¡¹è¼Û ±Ý¾×ÀÌ ¹ß»ýÇÒ ¼ö ÀÖÀ¸´Ï ÁÖ¹®Àü¿¡ °í°´¼¾ÅÍ·Î ¹®ÀÇ ÁֽʽÿÀ.
|
![]() |
- Á¦Ç°À» ¹Þ¾Æº¸½Ã°í ÀÌ»óÀÌ ÀÖÀ» °æ¿ì¿¡ ÇÑÇÏ¿© ¹è¼Û ÈÄ 14ÀÏ À̳»¿¡ ±³È¯ ¹× ¹ÝǰÀÌ °¡´ÉÇÕ´Ï´Ù. - »óǰ´ë±ÝÀ» ½Å¿ëÄ«µå·Î °áÁ¦ÇÑ °æ¿ì´Â ¸ÅÃâÀ» Ãë¼ÒÇØµå¸®¸ç, ¿Â¶óÀÎÀ¸·Î ÀÔ±ÝÇÑ °æ¿ì¿¡´Â ÁÖ¹®ÀÚÀÇ °èÁ¹øÈ£·Î 3Àϳ»·Î ÀÔ±Ý Ã³¸®ÇØ µå¸³´Ï´Ù. |






















