ÇÑÂʳ¯°³ÇüÂ÷·û
LÇüÆíÇ÷£ÁöÂ÷·û
(ÁÖ)³ª°¡¼¼°ø¾÷ ( NKS )
|
|
| 18°Ç Áß 1~18°Ç Ç¥½Ã | |
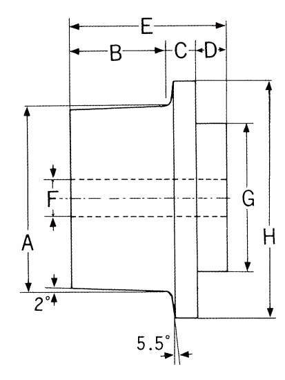
| Çü½Ä | ȣĪ | Â÷°æ A (¥Õmm) | ·¹ÀÏ´çÆø B (mm) | ³¯°³»Ñ¸®Æø C (mm) | º¸½ºµ¹ÃâºÎ D (mm) | ÀüÆø E (mm) |
| Çü½Ä | ȣĪ | Â÷°æ A (¥Õmm) | ·¹ÀÏ´çÆø B (mm) | ³¯°³»Ñ¸®Æø C (mm) | º¸½ºµ¹ÃâºÎ D (mm) | ÀüÆø E (mm) |
| L50-25 | L50-25 | 50 | 25 | 12 | 13 | 50 |
| L50-40 | L50-40 | 50 | 40 | 12 | 13 | 65 |
| L75-25 | L75-25 | 75 | 25 | 12 | 13 | 50 |
| L75-40 | L75-40 | 75 | 40 | 12 | 13 | 65 |
| L100-25 | L100-25 | 100 | 25 | 13 | 15 | 53 |
| L100-40 | L100-40 | 100 | 40 | 13 | 15 | 68 |
| L125-40 | L125-40 | 125 | 40 | 15 | 15 | 70 |
| L125-60 | L125-60 | 125 | 60 | 15 | 15 | 90 |
| L150-40 | L150-40 | 150 | 40 | 17 | 18 | 75 |
| L150-60 | L150-60 | 150 | 60 | 17 | 18 | 95 |
| L175-40 | L175-40 | 175 | 40 | 17 | 18 | 75 |
| L175-60 | L175-60 | 175 | 60 | 17 | 18 | 95 |
| L200-45 | L200-45 | 200 | 45 | 20 | 20 | 85 |
| L200-60 | L200-60 | 200 | 60 | 20 | 20 | 100 |
| L250-45 | L250-45 | 250 | 45 | 20 | 20 | 85 |
| L250-60 | L250-60 | 250 | 60 | 20 | 20 | 100 |
| L300-55 | L300-55 | 300 | 55 | 25 | 20 | 100 |
| L300-75 | L300-75 | 300 | 75 | 25 | 20 | 120 |
| Çü½Ä | ¾Æ·¡±¸¸Û F (¥Õmm) | º¸½º°æ G (¥Õmm) | ³¯°³°æ H (¥Õmm) | ÃÖ´ëÇÏÁß (kg) | ·¹ÀÏ´ç¸é |
| Çü½Ä | ¾Æ·¡±¸¸Û F (¥Õmm) | º¸½º°æ G (¥Õmm) | ³¯°³°æ H (¥Õmm) | ÃÖ´ëÇÏÁß (kg) | ·¹ÀÏ´ç¸é |
| L50-25 | 15 | 45 | 70 | 200 | - |
| L50-40 | 15 | 45 | 70 | 250 | - |
| L75-25 | 15 | 60 | 95 | 300 | - |
| L75-40 | 15 | 60 | 95 | 400 | - |
| L100-25 | 20 | 80 | 120 | 400 | - |
| L100-40 | 20 | 80 | 120 | 900 | °íÁÖÆÄÀÏü¿Ã³¸®Á¦Ç° |
| L125-40 | 20 | 100 | 150 | 1100 | °íÁÖÆÄÀÏü¿Ã³¸®Á¦Ç° |
| L125-60 | 20 | 100 | 150 | 1300 | °íÁÖÆÄÀÏü¿Ã³¸®Á¦Ç° |
| L150-40 | 20 | 110 | 175 | 1500 | °íÁÖÆÄÀÏü¿Ã³¸®Á¦Ç° |
| L150-60 | 20 | 110 | 175 | 1700 | °íÁÖÆÄÀÏü¿Ã³¸®Á¦Ç° |
| L175-40 | 20 | 140 | 205 | 2000 | °íÁÖÆÄÀÏü¿Ã³¸®Á¦Ç° |
| L175-60 | 20 | 140 | 205 | 2200 | °íÁÖÆÄÀÏü¿Ã³¸®Á¦Ç° |
| L200-45 | 25 | 140 | 232 | 2500 | °íÁÖÆÄÀÏü¿Ã³¸®Á¦Ç° |
| L200-60 | 25 | 140 | 232 | 2800 | °íÁÖÆÄÀÏü¿Ã³¸®Á¦Ç° |
| L250-45 | 25 | 150 | 284 | 3000 | °íÁÖÆÄÀÏü¿Ã³¸®Á¦Ç° |
| L250-60 | 25 | 150 | 284 | 3500 | °íÁÖÆÄÀÏü¿Ã³¸®Á¦Ç° |
| L300-55 | 30 | 180 | 336 | 4000 | °íÁÖÆÄÀÏü¿Ã³¸®Á¦Ç° |
| L300-75 | 30 | 180 | 336 | 5000 | °íÁÖÆÄÀÏü¿Ã³¸®Á¦Ç° |
| Çü½Ä | ´ÜÀ§ | ÆÇ¸ÅÁ¤°¡ (¿ø) | ±âÁس³±â | ±âÁس³±â | ±âÁس³±â | Áú·® | °ßÀûÀÇ·Ú ¹× ÁÖ¹® |
| Çü½Ä | ´ÜÀ§ | ÆÇ¸ÅÁ¤°¡ (¿ø) | À¯ÅëÀç°í | ¸ÞÀÌÄ¿Àç°í | ¾Æ¸°Àç°í | Áú·® | °ßÀûÀÇ·Ú ¹× ÁÖ¹® |
| L50-25 | P | 138,600 | - | - | - | - | °ßÀûÀÇ·Ú / ÁÖ¹® |
| L50-40 | P | 145,200 | - | - | - | - | °ßÀûÀÇ·Ú / ÁÖ¹® |
| L75-25 | P | 171,600 | - | - | - | - | °ßÀûÀÇ·Ú / ÁÖ¹® |
| L75-40 | P | 178,200 | - | - | - | - | °ßÀûÀÇ·Ú / ÁÖ¹® |
| L100-25 | P | 253,000 | - | - | - | - | °ßÀûÀÇ·Ú / ÁÖ¹® |
| L100-40 | P | 338,800 | - | - | - | - | °ßÀûÀÇ·Ú / ÁÖ¹® |
| L125-40 | P | 464,200 | - | - | - | - | °ßÀûÀÇ·Ú / ÁÖ¹® |
| L125-60 | P | 543,400 | - | - | - | - | °ßÀûÀÇ·Ú / ÁÖ¹® |
| L150-40 | P | 602,800 | - | - | - | - | °ßÀûÀÇ·Ú / ÁÖ¹® |
| L150-60 | P | 715,000 | - | - | - | - | °ßÀûÀÇ·Ú / ÁÖ¹® |
| L175-40 | P | 794,200 | - | - | - | - | °ßÀûÀÇ·Ú / ÁÖ¹® |
| L175-60 | P | 886,600 | - | - | - | - | °ßÀûÀÇ·Ú / ÁÖ¹® |
| L200-45 | P | 1,064,800 | - | - | - | - | °ßÀûÀÇ·Ú / ÁÖ¹® |
| L200-60 | P | 1,199,000 | - | - | - | - | °ßÀûÀÇ·Ú / ÁÖ¹® |
| L250-45 | P | 1,606,000 | - | - | - | - | °ßÀûÀÇ·Ú / ÁÖ¹® |
| L250-60 | P | 1,914,000 | - | - | - | - | °ßÀûÀÇ·Ú / ÁÖ¹® |
| L300-55 | P | 2,728,000 | - | - | - | - | °ßÀûÀÇ·Ú / ÁÖ¹® |
| L300-75 | P | 3,256,000 | - | - | - | - | °ßÀûÀÇ·Ú / ÁÖ¹® |
![]() |
- ¾Æ¸°Àç°í°¡ ÀÖ´Â »óǰÀº °áÀç°¡ ¿Ï·áµÇ¸é °áÀçÇÑ ´ÙÀ½³¯ºÎÅÍ 1~3ÀÏ À̳» Àü±¹(µµ¼Áö¹æÁ¦¿Ü)À¸·Î Åù踦 ÅëÇØ ¹è¼ÛµË´Ï´Ù. - ¾Æ¸°Àç°í°¡ ¾ø´Â ¼öÀÔǰÀÇ °æ¿ì´Â ³³Ç°±îÁö ¼öÀÏ ³»Áö ¼öÁÖ°¡ ¼Ò¿äµÉ ¼ö ÀÖÀ¸¹Ç·Î ÁÖ¹®Àü¿¡ ´ç»ç¿¡ ³³±â¸¦ ¹Ì¸® È®ÀÎÇÏ¿© ÁֽʽÿÀ. - Á¦Ç°Å©±â¿¡ µû¶ó Åù質 ȹ°¿î¼Û¾÷ü¸¦ ÅëÇØ ¹è¼ÛÇØ µå¸®¸ç, ÁÖ¹®±Ý¾× 20¸¸¿ø ÀÌÇÏÀÇ °æ¿ì 5,500¿øÀÇ ¹è¼Ûºñ°¡ Ãß°¡µË´Ï´Ù. - Á¦ÁÖµµ µî µµ¼Áö¿ªÀÇ °æ¿ì Ãß°¡¹è¼Û ±Ý¾×ÀÌ ¹ß»ýÇÒ ¼ö ÀÖÀ¸´Ï ÁÖ¹®Àü¿¡ °í°´¼¾ÅÍ·Î ¹®ÀÇ ÁֽʽÿÀ.
|
![]() |
- Á¦Ç°À» ¹Þ¾Æº¸½Ã°í ÀÌ»óÀÌ ÀÖÀ» °æ¿ì¿¡ ÇÑÇÏ¿© ¹è¼Û ÈÄ 14ÀÏ À̳»¿¡ ±³È¯ ¹× ¹ÝǰÀÌ °¡´ÉÇÕ´Ï´Ù. - »óǰ´ë±ÝÀ» ½Å¿ëÄ«µå·Î °áÁ¦ÇÑ °æ¿ì´Â ¸ÅÃâÀ» Ãë¼ÒÇØµå¸®¸ç, ¿Â¶óÀÎÀ¸·Î ÀÔ±ÝÇÑ °æ¿ì¿¡´Â ÁÖ¹®ÀÚÀÇ °èÁ¹øÈ£·Î 3Àϳ»·Î ÀÔ±Ý Ã³¸®ÇØ µå¸³´Ï´Ù. |


















