½½¶óÀ̵å·ÎÅ͸®ºÎ½Ã
SMA-R ½½¶óÀ̵å·ÎÅ͸®ºÎ½Ã(ºí·ÏÇü)
ÀϺ»º£¾î¸µ(ÁÖ) ( NIPPON BEARING )
|
|
| 20°Ç Áß 1~20°Ç Ç¥½Ã | |
| Çü½Ä | ŸÀÔ | ¸®Å×ÀÌ³Ê Á¾·ù | ¾ÁÀÇÁ¾·ù | Ãà°æ (mm) | ±âº»µ¿ Á¤°ÝÇÏÁß C(N) | ±âº»Á¤ Á¤°ÝÇÏÁß C0(N) |
| Çü½Ä | ŸÀÔ | ¸®Å×ÀÌ³Ê Á¾·ù | ¾ÁÀÇÁ¾·ù | Ãà°æ (mm) | ±âº»µ¿ Á¤°ÝÇÏÁß C(N) | ±âº»Á¤ Á¤°ÝÇÏÁß C0(N) |
| SMA6R | ½Ì±Û | ½ºÆ¿ | ¾Á¾øÀ½ | 6 | 78 | 176 |
| SMA8R | ½Ì±Û | ½ºÆ¿ | ¾Á¾øÀ½ | 8 | 137 | 314 |
| SMA10R | ½Ì±Û | ½ºÆ¿ | ¾Á¾øÀ½ | 10 | 157 | 372 |
| SMA12R | ½Ì±Û | ½ºÆ¿ | ¾Á¾øÀ½ | 12 | 274 | 588 |
| SMA13R | ½Ì±Û | ½ºÆ¿ | ¾Á¾øÀ½ | 13 | 323 | 686 |
| SMA16R | ½Ì±Û | ½ºÆ¿ | ¾Á¾øÀ½ | 16 | 451 | 882 |
| SMA20R | ½Ì±Û | ½ºÆ¿ | ¾Á¾øÀ½ | 20 | 647 | 1180 |
| SMA25R | ½Ì±Û | ½ºÆ¿ | ¾Á¾øÀ½ | 25 | 882 | 1860 |
| SMA30R | ½Ì±Û | ½ºÆ¿ | ¾Á¾øÀ½ | 30 | 1180 | 2650 |
| SMA40R | ½Ì±Û | ½ºÆ¿ | ¾Á¾øÀ½ | 40 | 1960 | 4020 |
| SMA6RW | ´õºí | ½ºÆ¿ | ¾Á¾øÀ½ | 6 | 126 | 352 |
| SMA8RW | ´õºí | ½ºÆ¿ | ¾Á¾øÀ½ | 8 | 222 | 628 |
| SMA10RW | ´õºí | ½ºÆ¿ | ¾Á¾øÀ½ | 10 | 254 | 744 |
| SMA12RW | ´õºí | ½ºÆ¿ | ¾Á¾øÀ½ | 12 | 444 | 1080 |
| SMA13RW | ´õºí | ½ºÆ¿ | ¾Á¾øÀ½ | 13 | 523 | 1370 |
| SMA16RW | ´õºí | ½ºÆ¿ | ¾Á¾øÀ½ | 16 | 731 | 1760 |
| SMA20RW | ´õºí | ½ºÆ¿ | ¾Á¾øÀ½ | 20 | 1050 | 2360 |
| SMA25RW | ´õºí | ½ºÆ¿ | ¾Á¾øÀ½ | 25 | 1430 | 3720 |
| SMA30RW | ´õºí | ½ºÆ¿ | ¾Á¾øÀ½ | 30 | 1910 | 5300 |
| SMA40RW | ´õºí | ½ºÆ¿ | ¾Á¾øÀ½ | 40 | 3180 | 8040 |
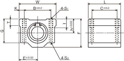
| Çü½Ä | ¿ÜÇüÄ¡¼ö(mm) | ¿ÜÇüÄ¡¼ö(mm) | ¿ÜÇüÄ¡¼ö(mm) | ¿ÜÇüÄ¡¼ö(mm) | ¿ÜÇüÄ¡¼ö(mm) | ¿ÜÇüÄ¡¼ö(mm) | ¿ÜÇüÄ¡¼ö(mm) | ¿ÜÇüÄ¡¼ö(mm) | ÃëºÎÄ¡¼ö(mm) | ÃëºÎÄ¡¼ö(mm) | ÃëºÎÄ¡¼ö(mm) | ÃëºÎÄ¡¼ö(mm) | ÃëºÎÄ¡¼ö(mm) | ÃëºÎÄ¡¼ö(mm) |
| Çü½Ä | h | E | W | L | F | G | T | N | B | C | K | S1 | f | S2 |
| SMA6R | 9 | 15 | 30 | 25 | 18 | 15 | 6 | - | 20 | 15 | 5 | M4 | 8 | 3.4 |
| SMA8R | 11 | 17 | 34 | 30 | 22 | 18 | 6 | - | 24 | 18 | 5 | M4 | 8 | 3.4 |
| SMA10R | 13 | 20 | 40 | 35 | 26 | 21 | 8 | - | 28 | 21 | 6 | M5 | 12 | 4.3 |
| SMA12R | 15 | 21 | 42 | 36 | 28 | 24 | 8 | - | 30.5 | 26 | 5.75 | M5 | 12 | 4.3 |
| SMA13R | 15 | 22 | 44 | 39 | 30 | 24.5 | 8 | - | 33 | 26 | 5.5 | M5 | 12 | 4.3 |
| SMA16R | 19 | 25 | 50 | 44 | 38.5 | 32.5 | 9 | - | 36 | 34 | 7 | M5 | 12 | 4.3 |
| SMA20R | 21 | 27 | 54 | 50 | 41 | 35 | 11 | - | 40 | 40 | 7 | M6 | 12 | 5.2 |
| SMA25R | 26 | 38 | 76 | 67 | 51.5 | 42 | 12 | - | 54 | 50 | 11 | M8 | 18 | 7 |
| SMA30R | 30 | 39 | 78 | 72 | 59.5 | 49 | 15 | - | 58 | 58 | 10 | M8 | 18 | 7 |
| SMA40R | 40 | 51 | 102 | 90 | 78 | 62 | 20 | - | 80 | 60 | 11 | M10 | 25 | 8.7 |
| SMA6RW | 9 | 15 | 30 | 48 | 18 | 15 | 6 | 7 | 20 | 36 | 5 | M4 | 8 | 3.4 |
| SMA8RW | 11 | 17 | 34 | 58 | 22 | 18 | 6 | 7 | 24 | 42 | 5 | M4 | 8 | 3.4 |
| SMA10RW | 13 | 20 | 40 | 68 | 26 | 21 | 8 | 7 | 28 | 46 | 6 | M5 | 12 | 4.3 |
| SMA12RW | 15 | 21 | 42 | 70 | 28 | 24 | 8 | 6.5 | 30.5 | 50 | 5.75 | M5 | 12 | 4.3 |
| SMA13RW | 15 | 22 | 44 | 75 | 30 | 24.5 | 8 | 6.5 | 33 | 50 | 5.5 | M5 | 12 | 4.3 |
| SMA16RW | 19 | 25 | 50 | 85 | 38.5 | 32.5 | 9 | 6 | 36 | 60 | 7 | M5 | 12 | 4.3 |
| SMA20RW | 21 | 27 | 54 | 96 | 41 | 35 | 11 | 7 | 40 | 70 | 7 | M6 | 12 | 5.2 |
| SMA25RW | 26 | 38 | 76 | 130 | 51.5 | 42 | 12 | 4 | 54 | 100 | 11 | M8 | 18 | 7 |
| SMA30RW | 30 | 39 | 78 | 140 | 59.5 | 49 | 15 | 5 | 58 | 110 | 10 | M8 | 18 | 7 |
| SMA40RW | 40 | 51 | 102 | 175 | 78 | 62 | 20 | 5 | 80 | 140 | 11 | M10 | 25 | 8.7 |
| Çü½Ä | ´ÜÀ§ | ÆÇ¸ÅÁ¤°¡ (¿ø) | ±âÁس³±â | ±âÁس³±â | ±âÁس³±â | Áú·® | °ßÀûÀÇ·Ú ¹× ÁÖ¹® |
| Çü½Ä | ´ÜÀ§ | ÆÇ¸ÅÁ¤°¡ (¿ø) | À¯ÅëÀç°í | ¸ÞÀÌÄ¿Àç°í | ¾Æ¸°Àç°í | Áú·® | °ßÀûÀÇ·Ú ¹× ÁÖ¹® |
| SMA6R | P | 224,400 | - | - | - | - | °ßÀûÀÇ·Ú / ÁÖ¹® |
| SMA8R | P | 237,600 | - | - | - | - | °ßÀûÀÇ·Ú / ÁÖ¹® |
| SMA10R | P | 250,800 | - | - | - | - | °ßÀûÀÇ·Ú / ÁÖ¹® |
| SMA12R | P | 264,000 | - | - | - | - | °ßÀûÀÇ·Ú / ÁÖ¹® |
| SMA13R | P | 275,000 | - | - | - | - | °ßÀûÀÇ·Ú / ÁÖ¹® |
| SMA16R | P | 301,400 | - | - | - | - | °ßÀûÀÇ·Ú / ÁÖ¹® |
| SMA20R | P | 354,200 | - | - | - | - | °ßÀûÀÇ·Ú / ÁÖ¹® |
| SMA25R | P | 475,200 | - | - | - | - | °ßÀûÀÇ·Ú / ÁÖ¹® |
| SMA30R | P | 600,600 | - | - | - | - | °ßÀûÀÇ·Ú / ÁÖ¹® |
| SMA40R | P | 1,036,200 | - | - | - | - | °ßÀûÀÇ·Ú / ÁÖ¹® |
| SMA6RW | P | 444,400 | - | - | - | - | °ßÀûÀÇ·Ú / ÁÖ¹® |
| SMA8RW | P | 470,800 | - | - | - | - | °ßÀûÀÇ·Ú / ÁÖ¹® |
| SMA10RW | P | 506,000 | - | - | - | - | °ßÀûÀÇ·Ú / ÁÖ¹® |
| SMA12RW | P | 530,200 | - | - | - | - | °ßÀûÀÇ·Ú / ÁÖ¹® |
| SMA13RW | P | 561,000 | - | - | - | - | °ßÀûÀÇ·Ú / ÁÖ¹® |
| SMA16RW | P | 618,200 | - | - | - | - | °ßÀûÀÇ·Ú / ÁÖ¹® |
| SMA20RW | P | 726,000 | - | - | - | - | °ßÀûÀÇ·Ú / ÁÖ¹® |
| SMA25RW | P | 948,200 | - | - | - | - | °ßÀûÀÇ·Ú / ÁÖ¹® |
| SMA30RW | P | 1,199,000 | - | - | - | - | °ßÀûÀÇ·Ú / ÁÖ¹® |
| SMA40RW | P | 2,145,000 | - | - | - | - | °ßÀûÀÇ·Ú / ÁÖ¹® |
![]() |
- ¾Æ¸°Àç°í°¡ ÀÖ´Â »óǰÀº °áÀç°¡ ¿Ï·áµÇ¸é °áÀçÇÑ ´ÙÀ½³¯ºÎÅÍ 1~3ÀÏ À̳» Àü±¹(µµ¼Áö¹æÁ¦¿Ü)À¸·Î Åù踦 ÅëÇØ ¹è¼ÛµË´Ï´Ù. - ¾Æ¸°Àç°í°¡ ¾ø´Â ¼öÀÔǰÀÇ °æ¿ì´Â ³³Ç°±îÁö ¼öÀÏ ³»Áö ¼öÁÖ°¡ ¼Ò¿äµÉ ¼ö ÀÖÀ¸¹Ç·Î ÁÖ¹®Àü¿¡ ´ç»ç¿¡ ³³±â¸¦ ¹Ì¸® È®ÀÎÇÏ¿© ÁֽʽÿÀ. - Á¦Ç°Å©±â¿¡ µû¶ó Åù質 ȹ°¿î¼Û¾÷ü¸¦ ÅëÇØ ¹è¼ÛÇØ µå¸®¸ç, ÁÖ¹®±Ý¾× 20¸¸¿ø ÀÌÇÏÀÇ °æ¿ì 5,500¿øÀÇ ¹è¼Ûºñ°¡ Ãß°¡µË´Ï´Ù. - Á¦ÁÖµµ µî µµ¼Áö¿ªÀÇ °æ¿ì Ãß°¡¹è¼Û ±Ý¾×ÀÌ ¹ß»ýÇÒ ¼ö ÀÖÀ¸´Ï ÁÖ¹®Àü¿¡ °í°´¼¾ÅÍ·Î ¹®ÀÇ ÁֽʽÿÀ.
|
![]() |
- Á¦Ç°À» ¹Þ¾Æº¸½Ã°í ÀÌ»óÀÌ ÀÖÀ» °æ¿ì¿¡ ÇÑÇÏ¿© ¹è¼Û ÈÄ 14ÀÏ À̳»¿¡ ±³È¯ ¹× ¹ÝǰÀÌ °¡´ÉÇÕ´Ï´Ù. - »óǰ´ë±ÝÀ» ½Å¿ëÄ«µå·Î °áÁ¦ÇÑ °æ¿ì´Â ¸ÅÃâÀ» Ãë¼ÒÇØµå¸®¸ç, ¿Â¶óÀÎÀ¸·Î ÀÔ±ÝÇÑ °æ¿ì¿¡´Â ÁÖ¹®ÀÚÀÇ °èÁ¹øÈ£·Î 3Àϳ»·Î ÀÔ±Ý Ã³¸®ÇØ µå¸³´Ï´Ù. |




















