NBº¼½ºÇöóÀÎ
·ÎÅ͸®º¼½ºÇöóÀÎ(½ºÇöóÀÎ³ÊÆ®)
ÀϺ»º£¾î¸µ(ÁÖ) ( NIPPON BEARING )
|
|
| 17°Ç Áß 1~17°Ç Ç¥½Ã | |
| Çü½Ä | ÁÖ¿äÄ¡¼ö | ÁÖ¿äÄ¡¼ö | ÁÖ¿äÄ¡¼ö | ÁÖ¿äÄ¡¼ö | ÁÖ¿äÄ¡¼ö | ÁÖ¿äÄ¡¼ö | ÁÖ¿äÄ¡¼ö | ÁÖ¿äÄ¡¼ö |
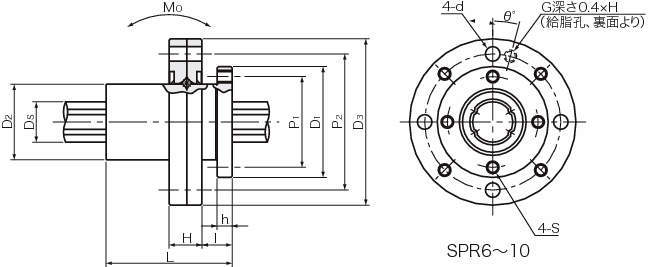
| Çü½Ä | D1 (mm) | D1 Çã¿ëÂ÷ (¥ìm) | D2 (mm) | L (mm) | L Çã¿ëÂ÷ (¥ìm) | P1 P.C.D. (mm) | S | h (mm) |
| Çü½Ä | D1 (mm) | D1 Çã¿ëÂ÷ (¥ìm) | D2 (mm) | L (mm) | L Çã¿ëÂ÷ (¥ìm) | P1 P.C.D. (mm) | S | h (mm) |
| SPR6 | 20 | 0¢¦-21 | 13 | 25 | 0¢¦-0.2 | 16 | M2 | 2.5 |
| SPR8 | 22 | 0¢¦-21 | 15 | 25 | 0¢¦-0.2 | 18 | M2.5 | 3 |
| SPR10 | 27 | 0¢¦-21 | 19 | 33 | 0¢¦-0.2 | 22 | M3 | 4 |
| SPR13 | 29 | 0¢¦-21 | 24 | 36 | 0¢¦-0.2 | 24 | M3 | 5 |
| SPR16 | 36 | 0¢¦-25 | 31 | 50 | 0¢¦-0.2 | 30 | M4 | 6 |
| SPR20 | 40 | 0¢¦-25 | 34 | 60 | 0/-0.2 | 34 | M4 | 7 |
| SPR25 | 50 | 0¢¦-25 | 40 | 70 | 0¢¦-0.3 | 42 | M5 | 8 |
| SPR30 | 61 | 0¢¦-30 | 47 | 80 | 0¢¦-0.3 | 52 | M6 | 10 |
| SPR40 | 76 | 0¢¦-30 | 62 | 100 | 0¢¦-0.3 | 64 | M6 | 10 |
| SPR50 | 88 | 0¢¦-35 | 75 | 112 | 0¢¦-0.3 | 77 | M8 | 13 |
| SPR60 | 102 | 0¢¦-35 | 90 | 127 | 0¢¦-0.3 | 90 | M8 | 13 |
| SPR20A | 44 | 0¢¦-25 | 35 | 63 | 0¢¦-0.2 | 38 | M4 | 7 |
| SPR25A | 55 | 0¢¦-25 | 42 | 71 | 0¢¦-0.3 | 47 | M5 | 8 |
| SPR30A | 61 | 0¢¦-30 | 47 | 80 | 0¢¦-0.3 | 52 | M6 | 10 |
| SPR40A | 76 | 0¢¦-30 | 64 | 100 | 0¢¦-0.3 | 66 | M6 | 10 |
| SPR50A | 92 | 0¢¦-35 | 80 | 125 | 0¢¦-0.3 | 80 | M8 | 13 |
| SPR60A | 107 | 0¢¦-35 | 90 | 140 | 0¢¦-0.3 | 95 | M8 | 13 |
| Çü½Ä | Å©·Î½º·Ñ·¯º£¾î¸µºÎÁÖ¿äÄ¡¼ö | Å©·Î½º·Ñ·¯º£¾î¸µºÎÁÖ¿äÄ¡¼ö | Å©·Î½º·Ñ·¯º£¾î¸µºÎÁÖ¿äÄ¡¼ö | Å©·Î½º·Ñ·¯º£¾î¸µºÎÁÖ¿äÄ¡¼ö | Å©·Î½º·Ñ·¯º£¾î¸µºÎÁÖ¿äÄ¡¼ö | Å©·Î½º·Ñ·¯º£¾î¸µºÎÁÖ¿äÄ¡¼ö | Å©·Î½º·Ñ·¯º£¾î¸µºÎÁÖ¿äÄ¡¼ö | Å©·Î½º·Ñ·¯º£¾î¸µºÎÁÖ¿äÄ¡¼ö | Å©·Î½º·Ñ·¯º£¾î¸µºÎÁÖ¿äÄ¡¼ö |
| Çü½Ä | l (mm) | H (mm) | D3 | D3 | P2 P.C.D. (mm) | d (mm) | G | F (mm) | ¥è |
| Çü½Ä | l (mm) | H (mm) | (mm) | Çã¿ëÂ÷ (¥ìm) | P2 P.C.D. (mm) | d (mm) | G | F (mm) | ¥è |
| SPR6 | 5 | 6.5 | 30 | 0/-21 | 24 | 2.4 | M3 | 2.6 | 20¡Æ |
| SPR8 | 6 | 6.5 | 33 | 0¢¦-25 | 27 | 2.9 | M3 | 2.6 | 20¡Æ |
| SPR10 | 8 | 7 | 40 | 0¢¦-25 | 33 | 3.4 | M3 | 2.8 | 15¡Æ |
| SPR13 | 8 | 9 | 50 | 0¢¦-25 | 42 | 3.4 | M3 | 3.6 | 15¡Æ |
| SPR16 | 10 | 11 | 60 | 0¢¦-30 | 50 | 4.5 | M3 | 4.4 | 15¡Æ |
| SPR20 | 12 | 13 | 66 | 0¢¦-30 | 56 | 4.5 | M6¡¿0.75 | 5.2 | 15¡Æ |
| SPR25 | 13 | 16 | 78 | 0¢¦-30 | 68 | 4.5 | M6¡¿0.75 | 6.4 | 15¡Æ |
| SPR30 | 17 | 17 | 100 | 0¢¦-35 | 86 | 6.6 | M6¡¿0.75 | 6.8 | 15¡Æ |
| SPR40 | 23 | 20 | 120 | 0¢¦-35 | 104 | 9 | M6¡¿0.75 | 8 | 15¡Æ |
| SPR50 | 24 | 22 | 130 | 0¢¦-40 | 114 | 9 | M6¡¿0.75 | 8.8 | 15¡Æ |
| SPR60 | 25 | 25 | 150 | 0¢¦-40 | 132 | 9 | M6¡¿0.75 | 10 | 15¡Æ |
| SPR20A | 12 | 13 | 72 | 0¢¦-30 | 62 | 4.5 | M6¡¿0.75 | 5.2 | 15¡Æ |
| SPR25A | 13 | 16 | 82 | 0¢¦-30 | 72 | 4.5 | M6¡¿0.75 | 6.4 | 15¡Æ |
| SPR30A | 17 | 17 | 100 | 0¢¦-35 | 86 | 6.6 | M6¡¿0.75 | 6.8 | 15¡Æ |
| SPR40A | 23 | 20 | 120 | 0¢¦-35 | 104 | 9 | M6¡¿0.75 | 8 | 15¡Æ |
| SPR50A | 24 | 22 | 134 | 0¢¦-40 | 118 | 9 | M6¡¿0.75 | 8.8 | 15¡Æ |
| SPR60A | 25 | 25 | 155 | 0¢¦-40 | 137 | 9 | M6¡¿0.75 | 10 | 15¡Æ |
| Çü½Ä | ½ºÇöóÀÎÃà | ½ºÇöóÀÎÃà | º¼½ºÇöóÀα⺻Á¤°ÝÅ丣ũ | º¼½ºÇöóÀα⺻Á¤°ÝÅ丣ũ | º¼½ºÇöóÀα⺻Á¤°ÝÇÏÁß | º¼½ºÇöóÀα⺻Á¤°ÝÇÏÁß |
| Çü½Ä | DS (mm) | DS Çã¿ëÂ÷ (¥ìm) | µ¿ CT (N ¡¤ m) | Á¤ COT (N ¡¤ m) | µ¿ C (kN) | Á¤ CO (kN) |
| Çü½Ä | DS (mm) | DS Çã¿ëÂ÷ (¥ìm) | µ¿ CT (N ¡¤ m) | Á¤ COT (N ¡¤ m) | µ¿ C (kN) | Á¤ CO (kN) |
| SPR6 | 6 | 0/-12 | 1.5 | 2.4 | 1.22 | 2.28 |
| SPR8 | 8 | 0¢¦-15 | 2.1 | 3.7 | 1.45 | 2.87 |
| SPR10 | 10 | 0¢¦-15 | 4.4 | 8.2 | 2.73 | 5.07 |
| SPR13 | 13 | 0¢¦-18 | 21 | 39.2 | 2.67 | 4.89 |
| SPR16 | 16 | 0¢¦-18 | 60 | 110 | 6.12 | 11.2 |
| SPR20 | 18.2 | 0¢¦-21 | 83 | 133 | 7.84 | 11.3 |
| SPR25 | 23 | 0¢¦-21 | 162 | 239 | 12.3 | 16.1 |
| SPR30 | 28 | 0¢¦-25 | 289 | 412 | 18.6 | 23.2 |
| SPR40 | 37.4 | 0¢¦-25 | 637 | 882 | 30.8 | 37.5 |
| SPR50 | 47 | 0/-30 | 1390 | 3180 | 46.1 | 74.2 |
| SPR60 | 56.5 | 0/-30 | 2100 | 4800 | 58 | 127 |
| SPR20A | 20 | 0¢¦-21 | 105 | 194 | 8.9 | 16.3 |
| SPR25A | 25 | 0¢¦-21 | 189 | 346 | 12.8 | 23.4 |
| SPR30A | 30 | 0¢¦-25 | 307 | 439 | 18.6 | 23.2 |
| SPR40A | 40 | 0¢¦-25 | 674 | 934 | 30.8 | 37.5 |
| SPR50A | 50 | 0/-30 | 1290 | 2950 | 40.3 | 64.9 |
| SPR60A | 60 | 0¢¦-21 | 1570 | 2620 | 47.7 | 79.5 |
| Çü½Ä | Å©·Î½º·Ñ·¯º£¾î¸µ | Å©·Î½º·Ñ·¯º£¾î¸µ | Å©·Î½º·Ñ·¯º£¾î¸µ | Á¤ÀûÇã¿ë ¸ð¸àÆ® MO (N ¡¤ m) | ȸÀüºÎ°ü¼º ¸ð¸àÆ® (kg ¡¤ cm2) | Áú·® | Áú·® | »çÀÌÁî |
| Çü½Ä | ±âº»Á¤°ÝÇÏÁß | ±âº»Á¤°ÝÇÏÁß | ÃÖ°íȸÀü¼ö¾î¸²Ä¡ (rpm) | Á¤ÀûÇã¿ë ¸ð¸àÆ® MO (N ¡¤ m) | ȸÀüºÎ°ü¼º ¸ð¸àÆ® (kg ¡¤ cm2) | ¿ÜÅë (kg) | Ãà (kg/m) | »çÀÌÁî |
| Çü½Ä | µ¿ CR (kN) | Á¤ COR (kN) | ÃÖ°íȸÀü¼ö¾î¸²Ä¡ (rpm) | Á¤ÀûÇã¿ë ¸ð¸àÆ® MO (N ¡¤ m) | ȸÀüºÎ°ü¼º ¸ð¸àÆ® (kg ¡¤ cm2) | ¿ÜÅë (kg) | Ãà (kg/m) | »çÀÌÁî |
| SPR6 | 0.6 | 0.5 | 2940 | 5.1 | 0.04 | 0.04 | 0.21 | 6 |
| SPR8 | 1.2 | 1.1 | 2580 | 7.4 | 0.05 | 0.05 | 0.38 | 8 |
| SPR10 | 2.4 | 2.45 | 2060 | 18 | 0.12 | 0.09 | 0.6 | 10 |
| SPR13 | 2.9 | 3.7 | 1350 | 13.7 | 0.32 | 0.17 | 1 | 13 |
| SPR16 | 5.6 | 6.7 | 1080 | 46 | 0.79 | 0.33 | 1.5 | 16 |
| SPR20 | 5.9 | 7.35 | 980 | 63 | 1.37 | 0.45 | 2 | 20 |
| SPR25 | 9.11 | 11.5 | 770 | 104 | 3.2 | 0.75 | 3.1 | 25 |
| SPR30 | 11.8 | 17.1 | 640 | 181 | 9.43 | 1.25 | 4.8 | 30 |
| SPR40 | 23 | 32.3 | 510 | 358 | 22.4 | 2.3 | 8.6 | 40 |
| SPR50 | 27.2 | 42.1 | 450 | 696 | 32.8 | 3.1 | 13.1 | 50 |
| SPR60 | 26.5 | 42.6 | 400 | 1300 | 67.5 | 4.7 | 19 | 60 |
| SPR20A | 6.55 | 8.79 | 890 | 110 | 1.93 | 0.57 | 2.4 | 20A |
| SPR25A | 9.63 | 12.7 | 700 | 171 | 3.73 | 0.81 | 3.7 | 25A |
| SPR30A | 11.8 | 17.1 | 640 | 181 | 9.43 | 1.19 | 5.38 | 30A |
| SPR40A | 23 | 32.3 | 510 | 358 | 22.4 | 2.25 | 9.55 | 40A |
| SPR50A | 27.8 | 44 | 430 | 690 | 36.8 | 3.57 | 15 | 50A |
| SPR60A | 29 | 48.8 | 370 | 881 | 73.8 | 5.03 | 21.6 | 60A |
| Çü½Ä | ´ÜÀ§ | ÆÇ¸ÅÁ¤°¡ (¿ø) | ±âÁس³±â | ±âÁس³±â | ±âÁس³±â | Áú·® | °ßÀûÀÇ·Ú ¹× ÁÖ¹® |
| Çü½Ä | ´ÜÀ§ | ÆÇ¸ÅÁ¤°¡ (¿ø) | À¯ÅëÀç°í | ¸ÞÀÌÄ¿Àç°í | ¾Æ¸°Àç°í | Áú·® | °ßÀûÀÇ·Ú ¹× ÁÖ¹® |
| Çü½Ä | ´ÜÀ§ | ÆÇ¸ÅÁ¤°¡ (¿ø) | À¯ÅëÀç°í | ¸ÞÀÌÄ¿Àç°í | ¾Æ¸°Àç°í | Áú·® | °ßÀûÀÇ·Ú ¹× ÁÖ¹® |
| SPR6 | P | °ßÀû | - | - | - | - | °ßÀûÀÇ·Ú / ÁÖ¹® |
| SPR8 | P | °ßÀû | - | - | - | - | °ßÀûÀÇ·Ú / ÁÖ¹® |
| SPR10 | P | °ßÀû | - | - | - | - | °ßÀûÀÇ·Ú / ÁÖ¹® |
| SPR13 | P | °ßÀû | - | - | - | - | °ßÀûÀÇ·Ú / ÁÖ¹® |
| SPR16 | P | °ßÀû | - | - | - | - | °ßÀûÀÇ·Ú / ÁÖ¹® |
| SPR20 | P | °ßÀû | - | - | - | - | °ßÀûÀÇ·Ú / ÁÖ¹® |
| SPR25 | P | °ßÀû | - | - | - | - | °ßÀûÀÇ·Ú / ÁÖ¹® |
| SPR30 | P | °ßÀû | - | - | - | - | °ßÀûÀÇ·Ú / ÁÖ¹® |
| SPR40 | P | °ßÀû | - | - | - | - | °ßÀûÀÇ·Ú / ÁÖ¹® |
| SPR50 | P | °ßÀû | - | - | - | - | °ßÀûÀÇ·Ú / ÁÖ¹® |
| SPR60 | P | °ßÀû | - | - | - | - | °ßÀûÀÇ·Ú / ÁÖ¹® |
| SPR20A | P | °ßÀû | - | - | - | - | °ßÀûÀÇ·Ú / ÁÖ¹® |
| SPR25A | P | °ßÀû | - | - | - | - | °ßÀûÀÇ·Ú / ÁÖ¹® |
| SPR30A | P | °ßÀû | - | - | - | - | °ßÀûÀÇ·Ú / ÁÖ¹® |
| SPR40A | P | °ßÀû | - | - | - | - | °ßÀûÀÇ·Ú / ÁÖ¹® |
| SPR50A | P | °ßÀû | - | - | - | - | °ßÀûÀÇ·Ú / ÁÖ¹® |
| SPR60A | P | °ßÀû | - | - | - | - | °ßÀûÀÇ·Ú / ÁÖ¹® |
![]() |
- ¾Æ¸°Àç°í°¡ ÀÖ´Â »óǰÀº °áÀç°¡ ¿Ï·áµÇ¸é °áÀçÇÑ ´ÙÀ½³¯ºÎÅÍ 1~3ÀÏ À̳» Àü±¹(µµ¼Áö¹æÁ¦¿Ü)À¸·Î Åù踦 ÅëÇØ ¹è¼ÛµË´Ï´Ù. - ¾Æ¸°Àç°í°¡ ¾ø´Â ¼öÀÔǰÀÇ °æ¿ì´Â ³³Ç°±îÁö ¼öÀÏ ³»Áö ¼öÁÖ°¡ ¼Ò¿äµÉ ¼ö ÀÖÀ¸¹Ç·Î ÁÖ¹®Àü¿¡ ´ç»ç¿¡ ³³±â¸¦ ¹Ì¸® È®ÀÎÇÏ¿© ÁֽʽÿÀ. - Á¦Ç°Å©±â¿¡ µû¶ó Åù質 ȹ°¿î¼Û¾÷ü¸¦ ÅëÇØ ¹è¼ÛÇØ µå¸®¸ç, ÁÖ¹®±Ý¾× 20¸¸¿ø ÀÌÇÏÀÇ °æ¿ì 5,500¿øÀÇ ¹è¼Ûºñ°¡ Ãß°¡µË´Ï´Ù. - Á¦ÁÖµµ µî µµ¼Áö¿ªÀÇ °æ¿ì Ãß°¡¹è¼Û ±Ý¾×ÀÌ ¹ß»ýÇÒ ¼ö ÀÖÀ¸´Ï ÁÖ¹®Àü¿¡ °í°´¼¾ÅÍ·Î ¹®ÀÇ ÁֽʽÿÀ.
|
![]() |
- Á¦Ç°À» ¹Þ¾Æº¸½Ã°í ÀÌ»óÀÌ ÀÖÀ» °æ¿ì¿¡ ÇÑÇÏ¿© ¹è¼Û ÈÄ 14ÀÏ À̳»¿¡ ±³È¯ ¹× ¹ÝǰÀÌ °¡´ÉÇÕ´Ï´Ù. - »óǰ´ë±ÝÀ» ½Å¿ëÄ«µå·Î °áÁ¦ÇÑ °æ¿ì´Â ¸ÅÃâÀ» Ãë¼ÒÇØµå¸®¸ç, ¿Â¶óÀÎÀ¸·Î ÀÔ±ÝÇÑ °æ¿ì¿¡´Â ÁÖ¹®ÀÚÀÇ °èÁ¹øÈ£·Î 3Àϳ»·Î ÀÔ±Ý Ã³¸®ÇØ µå¸³´Ï´Ù. |





















