Ç÷º½ÃºíŸÀÔ(¾Ë¹Ì´½)  
¼¾¼ºê¶óÄÏ XY°íÁ¤Á¶ÀÎÆ®
(ÁÖ)À̿͟Á¦ÀÛ¼Ò ( IWATA MFG. ) 
| 
    
         | 
	
| 28°Ç Áß 1~28°Ç Ç¥½Ã | |
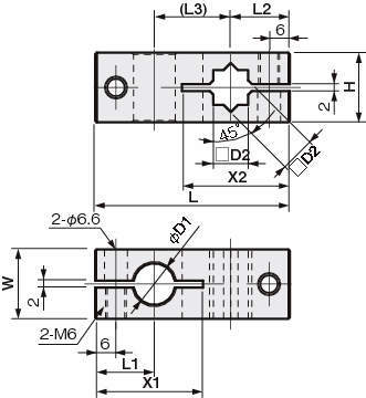
| Çü½Ä | ŸÀÔ | ÀûÇÕ»þÇÁÆ®(mm) | ÀûÇÕ»þÇÁÆ®(mm) | Ä¡¼ö(mm) | Ä¡¼ö(mm) | Ä¡¼ö(mm) | Ä¡¼ö(mm) | Ä¡¼ö(mm) | Ä¡¼ö(mm) | Ä¡¼ö(mm) | Ä¡¼ö(mm) | 
| Çü½Ä | ŸÀÔ | D1 | D2 | L | L1 | L2 | L3 | W | H | X1 | X2 | 
| FSFMJX008-08A | µÕ±Ù»þÇÁÆ®¿ë | ¥Õ8 | ¥Õ8 | 48 | 15 | 15 | 18 | 16 | 16 | 27 | 27 | 
| FSFMJX010-08A | µÕ±Ù»þÇÁÆ®¿ë | ¥Õ10 | ¥Õ8 | 50 | 16 | 15 | 19 | 18 | 18 | 29 | 27 | 
| FSFMJX010-10A | µÕ±Ù»þÇÁÆ®¿ë | ¥Õ10 | ¥Õ10 | 52 | 16 | 16 | 20 | 18 | 18 | 29 | 29 | 
| FSFMJX012-08A | µÕ±Ù»þÇÁÆ®¿ë | ¥Õ12 | ¥Õ8 | 52 | 17 | 15 | 20 | 20 | 20 | 31 | 27 | 
| FSFMJX012-10A | µÕ±Ù»þÇÁÆ®¿ë | ¥Õ12 | ¥Õ10 | 54 | 17 | 16 | 21 | 20 | 20 | 31 | 29 | 
| FSFMJX012-12A | µÕ±Ù»þÇÁÆ®¿ë | ¥Õ12 | ¥Õ12 | 56 | 17 | 17 | 22 | 20 | 20 | 31 | 31 | 
| FSFMJX014-08A | µÕ±Ù»þÇÁÆ®¿ë | ¥Õ14 | ¥Õ8 | 54 | 18 | 15 | 21 | 22 | 22 | 33 | 27 | 
| FSFMJX014-10A | µÕ±Ù»þÇÁÆ®¿ë | ¥Õ14 | ¥Õ10 | 56 | 18 | 16 | 22 | 22 | 22 | 33 | 29 | 
| FSFMJX014-12A | µÕ±Ù»þÇÁÆ®¿ë | ¥Õ14 | ¥Õ12 | 58 | 18 | 17 | 23 | 22 | 22 | 33 | 31 | 
| FSFMJX014-14A | µÕ±Ù»þÇÁÆ®¿ë | ¥Õ14 | ¥Õ14 | 60 | 18 | 18 | 24 | 22 | 22 | 33 | 33 | 
| FSFMJX016-08A | µÕ±Ù»þÇÁÆ®¿ë | ¥Õ16 | ¥Õ8 | 56 | 19 | 15 | 22 | 25 | 20 | 35 | 27 | 
| FSFMJX016-10A | µÕ±Ù»þÇÁÆ®¿ë | ¥Õ16 | ¥Õ10 | 58 | 19 | 16 | 23 | 25 | 20 | 35 | 29 | 
| FSFMJX016-12A | µÕ±Ù»þÇÁÆ®¿ë | ¥Õ16 | ¥Õ12 | 60 | 19 | 17 | 24 | 25 | 20 | 35 | 31 | 
| FSFMJX016-14A | µÕ±Ù»þÇÁÆ®¿ë | ¥Õ16 | ¥Õ14 | 62 | 19 | 18 | 25 | 25 | 20 | 35 | 33 | 
| FSFMJX016-16A | µÕ±Ù»þÇÁÆ®¿ë | ¥Õ16 | ¥Õ16 | 64 | 19 | 19 | 26 | 25 | 25 | 35 | 35 | 
| FSFMJXS10-S0A | °¢»þÇÁÆ®¿ë | ¡à10 | ¡à10 | 60 | 18 | 18 | 24 | 22 | 22 | 34 | 34 | 
| FSFMJXS12-S0A | °¢»þÇÁÆ®¿ë | ¡à12 | ¡à10 | 62 | 19 | 18 | 25 | 25 | 25 | 36 | 34 | 
| FSFMJXS12-S2A | °¢»þÇÁÆ®¿ë | ¡à12 | ¡à12 | 64 | 19 | 19 | 26 | 25 | 25 | 36 | 36 | 
| FSFMJXS10-08A | µÕ±Ù-°¢»þÇÁÆ®¿ë | ¥Õ8 | ¡à10 | 54 | 15 | 18 | 21 | 22 | 22 | 28 | 33 | 
| FSFMJXS12-08A | µÕ±Ù-°¢»þÇÁÆ®¿ë | ¥Õ8 | ¡à12 | 56 | 15 | 19 | 22 | 20 | 25 | 28 | 35 | 
| FSFMJXS10-10A | µÕ±Ù-°¢»þÇÁÆ®¿ë | ¥Õ10 | ¡à10 | 56 | 16 | 18 | 22 | 22 | 22 | 30 | 33 | 
| FSFMJXS12-10A | µÕ±Ù-°¢»þÇÁÆ®¿ë | ¥Õ10 | ¡à12 | 58 | 16 | 19 | 23 | 20 | 25 | 30 | 35 | 
| FSFMJX012-S0A | µÕ±Ù-°¢»þÇÁÆ®¿ë | ¥Õ12 | ¡à10 | 58 | 18 | 17 | 23 | 22 | 22 | 33 | 32 | 
| FSFMJXS12-12A | µÕ±Ù-°¢»þÇÁÆ®¿ë | ¥Õ12 | ¡à12 | 60 | 17 | 19 | 24 | 20 | 25 | 32 | 35 | 
| FSFMJX014-S0A | µÕ±Ù-°¢»þÇÁÆ®¿ë | ¥Õ14 | ¡à10 | 60 | 18 | 18 | 24 | 22 | 22 | 33 | 34 | 
| FSFMJX014-S2A | µÕ±Ù-°¢»þÇÁÆ®¿ë | ¥Õ14 | ¡à12 | 62 | 19 | 18 | 25 | 25 | 20 | 35 | 34 | 
| FSFMJX016-S0A | µÕ±Ù-°¢»þÇÁÆ®¿ë | ¥Õ16 | ¡à10 | 62 | 18 | 19 | 25 | 25 | 25 | 33 | 36 | 
| FSFMJX016-S2A | µÕ±Ù-°¢»þÇÁÆ®¿ë | ¥Õ16 | ¡à12 | 64 | 19 | 19 | 26 | 25 | 25 | 35 | 36 | 
| Çü½Ä | ´ÜÀ§ | ÆÇ¸ÅÁ¤°¡ (¿ø)  | ±âÁس³±â | ±âÁس³±â | ±âÁس³±â | Áú·® (g)  | °ßÀûÀÇ·Ú ¹× ÁÖ¹® | 
| Çü½Ä | ´ÜÀ§ | ÆÇ¸ÅÁ¤°¡ (¿ø)  | À¯ÅëÀç°í | ¸ÞÀÌÄ¿Àç°í | ¾Æ¸°Àç°í | Áú·® (g)  | °ßÀûÀÇ·Ú ¹× ÁÖ¹® | 
| FSFMJX008-08A | P | 31,240 | - | - | - | 38 | °ßÀûÀÇ·Ú / ÁÖ¹® | 
| FSFMJX010-08A | P | 31,900 | - | - | - | 44 | °ßÀûÀÇ·Ú / ÁÖ¹® | 
| FSFMJX010-10A | P | 31,900 | - | - | - | 44 | °ßÀûÀÇ·Ú / ÁÖ¹® | 
| FSFMJX012-08A | P | 33,880 | - | - | - | 52 | °ßÀûÀÇ·Ú / ÁÖ¹® | 
| FSFMJX012-10A | P | 33,880 | - | - | - | 52 | °ßÀûÀÇ·Ú / ÁÖ¹® | 
| FSFMJX012-12A | P | 34,100 | - | - | - | 52 | °ßÀûÀÇ·Ú / ÁÖ¹® | 
| FSFMJX014-08A | P | 34,760 | - | - | - | 67 | °ßÀûÀÇ·Ú / ÁÖ¹® | 
| FSFMJX014-10A | P | 34,980 | - | - | - | 67 | °ßÀûÀÇ·Ú / ÁÖ¹® | 
| FSFMJX014-12A | P | 34,980 | - | - | - | 67 | °ßÀûÀÇ·Ú / ÁÖ¹® | 
| FSFMJX014-14A | P | 35,200 | - | - | - | 67 | °ßÀûÀÇ·Ú / ÁÖ¹® | 
| FSFMJX016-08A | P | 36,080 | - | - | - | 92 | °ßÀûÀÇ·Ú / ÁÖ¹® | 
| FSFMJX016-10A | P | 36,080 | - | - | - | 92 | °ßÀûÀÇ·Ú / ÁÖ¹® | 
| FSFMJX016-12A | P | 36,300 | - | - | - | 92 | °ßÀûÀÇ·Ú / ÁÖ¹® | 
| FSFMJX016-14A | P | 37,180 | - | - | - | 92 | °ßÀûÀÇ·Ú / ÁÖ¹® | 
| FSFMJX016-16A | P | 37,180 | - | - | - | 92 | °ßÀûÀÇ·Ú / ÁÖ¹® | 
| FSFMJXS10-S0A | P | 37,840 | - | - | - | 55 | °ßÀûÀÇ·Ú / ÁÖ¹® | 
| FSFMJXS12-S0A | P | 38,940 | - | - | - | 80 | °ßÀûÀÇ·Ú / ÁÖ¹® | 
| FSFMJXS12-S2A | P | 38,940 | - | - | - | 80 | °ßÀûÀÇ·Ú / ÁÖ¹® | 
| FSFMJXS10-08A | P | 35,860 | - | - | - | 55 | °ßÀûÀÇ·Ú / ÁÖ¹® | 
| FSFMJXS12-08A | P | 36,300 | - | - | - | 80 | °ßÀûÀÇ·Ú / ÁÖ¹® | 
| FSFMJXS10-10A | P | 35,860 | - | - | - | 55 | °ßÀûÀÇ·Ú / ÁÖ¹® | 
| FSFMJXS12-10A | P | 36,300 | - | - | - | 80 | °ßÀûÀÇ·Ú / ÁÖ¹® | 
| FSFMJX012-S0A | P | 36,080 | - | - | - | 67 | °ßÀûÀÇ·Ú / ÁÖ¹® | 
| FSFMJXS12-12A | P | 36,300 | - | - | - | 80 | °ßÀûÀÇ·Ú / ÁÖ¹® | 
| FSFMJX014-S0A | P | 36,740 | - | - | - | 67 | °ßÀûÀÇ·Ú / ÁÖ¹® | 
| FSFMJX014-S2A | P | 37,840 | - | - | - | 92 | °ßÀûÀÇ·Ú / ÁÖ¹® | 
| FSFMJX016-S0A | P | 38,720 | - | - | - | 92 | °ßÀûÀÇ·Ú / ÁÖ¹® | 
| FSFMJX016-S2A | P | 38,940 | - | - | - | 92 | °ßÀûÀÇ·Ú / ÁÖ¹® | 
![]()  | 
	  - ¾Æ¸°Àç°í°¡ ÀÖ´Â »óǰÀº °áÀç°¡ ¿Ï·áµÇ¸é °áÀçÇÑ ´ÙÀ½³¯ºÎÅÍ 1~3ÀÏ À̳» Àü±¹(µµ¼Áö¹æÁ¦¿Ü)À¸·Î Åù踦 ÅëÇØ ¹è¼ÛµË´Ï´Ù. - ¾Æ¸°Àç°í°¡ ¾ø´Â ¼öÀÔǰÀÇ °æ¿ì´Â ³³Ç°±îÁö ¼öÀÏ ³»Áö ¼öÁÖ°¡ ¼Ò¿äµÉ ¼ö ÀÖÀ¸¹Ç·Î ÁÖ¹®Àü¿¡ ´ç»ç¿¡ ³³±â¸¦ ¹Ì¸® È®ÀÎÇÏ¿© ÁֽʽÿÀ. - Á¦Ç°Å©±â¿¡ µû¶ó Åù質 ȹ°¿î¼Û¾÷ü¸¦ ÅëÇØ ¹è¼ÛÇØ µå¸®¸ç, ÁÖ¹®±Ý¾× 20¸¸¿ø ÀÌÇÏÀÇ °æ¿ì 5,500¿øÀÇ ¹è¼Ûºñ°¡ Ãß°¡µË´Ï´Ù. - Á¦ÁÖµµ µî µµ¼Áö¿ªÀÇ °æ¿ì Ãß°¡¹è¼Û ±Ý¾×ÀÌ ¹ß»ýÇÒ ¼ö ÀÖÀ¸´Ï ÁÖ¹®Àü¿¡ °í°´¼¾ÅÍ·Î ¹®ÀÇ ÁֽʽÿÀ. 
  | 
	
![]()  | 
	  - Á¦Ç°À» ¹Þ¾Æº¸½Ã°í ÀÌ»óÀÌ ÀÖÀ» °æ¿ì¿¡ ÇÑÇÏ¿© ¹è¼Û ÈÄ 14ÀÏ À̳»¿¡ ±³È¯ ¹× ¹ÝǰÀÌ °¡´ÉÇÕ´Ï´Ù.  - »óǰ´ë±ÝÀ» ½Å¿ëÄ«µå·Î °áÁ¦ÇÑ °æ¿ì´Â ¸ÅÃâÀ» Ãë¼ÒÇØµå¸®¸ç, ¿Â¶óÀÎÀ¸·Î ÀÔ±ÝÇÑ °æ¿ì¿¡´Â ÁÖ¹®ÀÚÀÇ °èÁ¹øÈ£·Î 3Àϳ»·Î ÀÔ±Ý Ã³¸®ÇØ µå¸³´Ï´Ù.  | 
	

























