Ç÷º½ÃºíŸÀÔ(¾Ë¹Ì´½)
¼¾¼ºê¶óÄÏ ÃëºÎº£À̽ºL
(ÁÖ)À̿͟Á¦ÀÛ¼Ò ( IWATA MFG. )
|
|
| 21°Ç Áß 1~21°Ç Ç¥½Ã | |
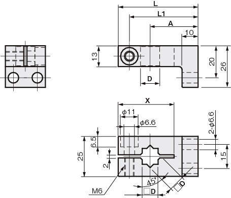
| Çü½Ä | ŸÀÔ | ÀûÇÕ»þÇÁÆ® D (mm) | ±âÁØÄ¡¼ö A (mm) | Ä¡¼ö(mm) | Ä¡¼ö(mm) | Ä¡¼ö(mm) |
| Çü½Ä | ŸÀÔ | ÀûÇÕ»þÇÁÆ® D (mm) | ±âÁØÄ¡¼ö A (mm) | L | L1 | X |
| FSFMBL030-08A | µÕ±Ù»þÇÁÆ®¿ë | ¥Õ8 | 30 | 50 | 43 | 35 |
| FSFMBL050-08A | µÕ±Ù»þÇÁÆ®¿ë | ¥Õ8 | 50 | 70 | 63 | 35 |
| FSFMBL070-08A | µÕ±Ù»þÇÁÆ®¿ë | ¥Õ8 | 70 | 90 | 83 | 35 |
| FSFMBL030-10A | µÕ±Ù»þÇÁÆ®¿ë | ¥Õ10 | 30 | 50 | 43 | 35 |
| FSFMBL050-10A | µÕ±Ù»þÇÁÆ®¿ë | ¥Õ10 | 50 | 70 | 63 | 35 |
| FSFMBL070-10A | µÕ±Ù»þÇÁÆ®¿ë | ¥Õ10 | 70 | 90 | 83 | 35 |
| FSFMBL030-12A | µÕ±Ù»þÇÁÆ®¿ë | ¥Õ12 | 30 | 50 | 43 | 35 |
| FSFMBL050-12A | µÕ±Ù»þÇÁÆ®¿ë | ¥Õ12 | 50 | 70 | 63 | 35 |
| FSFMBL070-12A | µÕ±Ù»þÇÁÆ®¿ë | ¥Õ12 | 70 | 90 | 83 | 35 |
| FSFMBL030-14A | µÕ±Ù»þÇÁÆ®¿ë | ¥Õ14 | 30 | 50 | 43 | 35 |
| FSFMBL050-14A | µÕ±Ù»þÇÁÆ®¿ë | ¥Õ14 | 50 | 70 | 63 | 35 |
| FSFMBL070-14A | µÕ±Ù»þÇÁÆ®¿ë | ¥Õ14 | 70 | 90 | 83 | 35 |
| FSFMBL030-16A | µÕ±Ù»þÇÁÆ®¿ë | ¥Õ16 | 30 | 50 | 43 | 35 |
| FSFMBL050-16A | µÕ±Ù»þÇÁÆ®¿ë | ¥Õ16 | 50 | 70 | 63 | 35 |
| FSFMBL070-16A | µÕ±Ù»þÇÁÆ®¿ë | ¥Õ16 | 70 | 90 | 83 | 35 |
| FSFMBL030-S0A | °¢»þÇÁÆ®¿ë | ¡à10 | 30 | 50 | 43 | 35 |
| FSFMBL050-S0A | °¢»þÇÁÆ®¿ë | ¡à10 | 50 | 70 | 63 | 35 |
| FSFMBL070-S0A | °¢»þÇÁÆ®¿ë | ¡à10 | 70 | 90 | 83 | 35 |
| FSFMBL030-S2A | °¢»þÇÁÆ®¿ë | ¡à12 | 30 | 50 | 43 | 35 |
| FSFMBL050-S2A | °¢»þÇÁÆ®¿ë | ¡à12 | 50 | 70 | 63 | 35 |
| FSFMBL070-S2A | °¢»þÇÁÆ®¿ë | ¡à12 | 70 | 90 | 83 | 35 |
| Çü½Ä | ´ÜÀ§ | ÆÇ¸ÅÁ¤°¡ (¿ø) | ±âÁس³±â | ±âÁس³±â | ±âÁس³±â | Áú·® (g) | °ßÀûÀÇ·Ú ¹× ÁÖ¹® |
| Çü½Ä | ´ÜÀ§ | ÆÇ¸ÅÁ¤°¡ (¿ø) | À¯ÅëÀç°í | ¸ÞÀÌÄ¿Àç°í | ¾Æ¸°Àç°í | Áú·® (g) | °ßÀûÀÇ·Ú ¹× ÁÖ¹® |
| FSFMBL030-08A | P | 37,400 | - | - | - | 46 | °ßÀûÀÇ·Ú / ÁÖ¹® |
| FSFMBL050-08A | P | 37,400 | - | - | - | 63 | °ßÀûÀÇ·Ú / ÁÖ¹® |
| FSFMBL070-08A | P | 37,400 | - | - | - | 80 | °ßÀûÀÇ·Ú / ÁÖ¹® |
| FSFMBL030-10A | P | 37,400 | - | - | - | 47 | °ßÀûÀÇ·Ú / ÁÖ¹® |
| FSFMBL050-10A | P | 37,400 | - | - | - | 62 | °ßÀûÀÇ·Ú / ÁÖ¹® |
| FSFMBL070-10A | P | 37,400 | - | - | - | 79 | °ßÀûÀÇ·Ú / ÁÖ¹® |
| FSFMBL030-12A | P | 38,720 | - | - | - | 48 | °ßÀûÀÇ·Ú / ÁÖ¹® |
| FSFMBL050-12A | P | 38,720 | - | - | - | 66 | °ßÀûÀÇ·Ú / ÁÖ¹® |
| FSFMBL070-12A | P | 36,960 | - | - | - | 84 | °ßÀûÀÇ·Ú / ÁÖ¹® |
| FSFMBL030-14A | P | 38,940 | - | - | - | 44 | °ßÀûÀÇ·Ú / ÁÖ¹® |
| FSFMBL050-14A | P | 38,940 | - | - | - | 53 | °ßÀûÀÇ·Ú / ÁÖ¹® |
| FSFMBL070-14A | P | 38,940 | - | - | - | 78 | °ßÀûÀÇ·Ú / ÁÖ¹® |
| FSFMBL030-16A | P | 38,940 | - | - | - | 45 | °ßÀûÀÇ·Ú / ÁÖ¹® |
| FSFMBL050-16A | P | 38,940 | - | - | - | 54 | °ßÀûÀÇ·Ú / ÁÖ¹® |
| FSFMBL070-16A | P | 38,940 | - | - | - | 79 | °ßÀûÀÇ·Ú / ÁÖ¹® |
| FSFMBL030-S0A | P | 40,920 | - | - | - | 48 | °ßÀûÀÇ·Ú / ÁÖ¹® |
| FSFMBL050-S0A | P | 40,920 | - | - | - | 66 | °ßÀûÀÇ·Ú / ÁÖ¹® |
| FSFMBL070-S0A | P | 39,160 | - | - | - | 84 | °ßÀûÀÇ·Ú / ÁÖ¹® |
| FSFMBL030-S2A | P | 41,800 | - | - | - | 46 | °ßÀûÀÇ·Ú / ÁÖ¹® |
| FSFMBL050-S2A | P | 41,800 | - | - | - | 64 | °ßÀûÀÇ·Ú / ÁÖ¹® |
| FSFMBL070-S2A | P | 40,040 | - | - | - | 82 | °ßÀûÀÇ·Ú / ÁÖ¹® |
![]() |
- ¾Æ¸°Àç°í°¡ ÀÖ´Â »óǰÀº °áÀç°¡ ¿Ï·áµÇ¸é °áÀçÇÑ ´ÙÀ½³¯ºÎÅÍ 1~3ÀÏ À̳» Àü±¹(µµ¼Áö¹æÁ¦¿Ü)À¸·Î Åù踦 ÅëÇØ ¹è¼ÛµË´Ï´Ù. - ¾Æ¸°Àç°í°¡ ¾ø´Â ¼öÀÔǰÀÇ °æ¿ì´Â ³³Ç°±îÁö ¼öÀÏ ³»Áö ¼öÁÖ°¡ ¼Ò¿äµÉ ¼ö ÀÖÀ¸¹Ç·Î ÁÖ¹®Àü¿¡ ´ç»ç¿¡ ³³±â¸¦ ¹Ì¸® È®ÀÎÇÏ¿© ÁֽʽÿÀ. - Á¦Ç°Å©±â¿¡ µû¶ó Åù質 ȹ°¿î¼Û¾÷ü¸¦ ÅëÇØ ¹è¼ÛÇØ µå¸®¸ç, ÁÖ¹®±Ý¾× 20¸¸¿ø ÀÌÇÏÀÇ °æ¿ì 5,500¿øÀÇ ¹è¼Ûºñ°¡ Ãß°¡µË´Ï´Ù. - Á¦ÁÖµµ µî µµ¼Áö¿ªÀÇ °æ¿ì Ãß°¡¹è¼Û ±Ý¾×ÀÌ ¹ß»ýÇÒ ¼ö ÀÖÀ¸´Ï ÁÖ¹®Àü¿¡ °í°´¼¾ÅÍ·Î ¹®ÀÇ ÁֽʽÿÀ.
|
![]() |
- Á¦Ç°À» ¹Þ¾Æº¸½Ã°í ÀÌ»óÀÌ ÀÖÀ» °æ¿ì¿¡ ÇÑÇÏ¿© ¹è¼Û ÈÄ 14ÀÏ À̳»¿¡ ±³È¯ ¹× ¹ÝǰÀÌ °¡´ÉÇÕ´Ï´Ù. - »óǰ´ë±ÝÀ» ½Å¿ëÄ«µå·Î °áÁ¦ÇÑ °æ¿ì´Â ¸ÅÃâÀ» Ãë¼ÒÇØµå¸®¸ç, ¿Â¶óÀÎÀ¸·Î ÀÔ±ÝÇÑ °æ¿ì¿¡´Â ÁÖ¹®ÀÚÀÇ °èÁ¹øÈ£·Î 3Àϳ»·Î ÀÔ±Ý Ã³¸®ÇØ µå¸³´Ï´Ù. |






















