»þÇÁÆ®ºê¶óÄÏ
»þÇÁÆ®ºê¶óÄÏ(°¢»þÇÁÆ®¿ë) ±¸¸Û2°³ÀִŸÀÔ
(ÁÖ)À̿͟Á¦ÀÛ¼Ò ( IWATA MFG. )
|
|
| 20°Ç Áß 1~20°Ç Ç¥½Ã | |
| Çü½Ä | ÀçÁú/Ç¥¸éó¸® | ³»°æ ¡àB | Æø H | ¿Ü°æ ¥ÕD | Y | X | ÆÇµÎ²² T | W | Áß·® (g) |
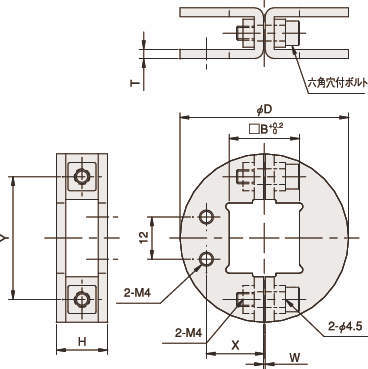
| Çü½Ä | ÀçÁú/Ç¥¸éó¸® | ³»°æ ¡àB | Æø H | ¿Ü°æ ¥ÕD | Y | X | ÆÇµÎ²² T | W | Áß·® (g) |
| BS10CN2 | ö(SPCC)/Èæ¿° | 10 | 14.2 | 39 | 26 | 11.5 | 2.6 | 0.5 | 50 |
| BS12CN2 | ö(SPCC)/Èæ¿° | 12 | 14.2 | 41 | 27.5 | 12.5 | 2.6 | 0.5 | 54 |
| BS15CN2 | ö(SPCC)/Èæ¿° | 15 | 14.2 | 44 | 30.5 | 14 | 2.6 | 0.5 | 58 |
| BS20CN2 | ö(SPCC)/Èæ¿° | 20 | 14.2 | 48 | 35 | 16.5 | 2.6 | 0.5 | 64 |
| BS25CN2 | ö(SPCC)/Èæ¿° | 25 | 14.2 | 53 | 40 | 19 | 2.6 | 0.5 | 70 |
| BS30CN2 | ö(SPCC)/Èæ¿° | 30 | 14.2 | 58 | 45 | 21.5 | 2.6 | 0.5 | 76 |
| BS36CN2 | ö(SPCC)/Èæ¿° | 36 | 14.2 | 63 | 51 | 24.5 | 2.6 | 0.5 | - |
| BS40CN2 | ö(SPCC)/Èæ¿° | 40 | 14.2 | 68 | 55 | 26.5 | 2.6 | 0.5 | - |
| BS45CN2 | ö(SPCC)/Èæ¿° | 45 | 14.2 | 79 | 63 | 29 | 2.6 | 0.5 | - |
| BS50CN2 | ö(SPCC)/Èæ¿° | 50 | 14.2 | 86 | 69 | 31.5 | 2.6 | 0.5 | - |
| BS10SN2 | ½ºÅ×Àη¹½º(SUS304) | 10 | 14 | 39 | 26 | 11.5 | 2.5 | 0.5 | 50 |
| BS12SN2 | ½ºÅ×Àη¹½º(SUS304) | 12 | 14 | 41 | 27.5 | 12.5 | 2.5 | 0.5 | 54 |
| BS15SN2 | ½ºÅ×Àη¹½º(SUS304) | 15 | 14 | 44 | 30.5 | 14 | 2.5 | 0.5 | 58 |
| BS20SN2 | ½ºÅ×Àη¹½º(SUS304) | 20 | 14 | 48 | 35 | 16.5 | 2.5 | 0.5 | 64 |
| BS25SN2 | ½ºÅ×Àη¹½º(SUS304) | 25 | 14 | 53 | 40 | 19 | 2.5 | 0.5 | 70 |
| BS30SN2 | ½ºÅ×Àη¹½º(SUS304) | 30 | 14 | 58 | 45 | 21.5 | 2.5 | 0.5 | 76 |
| BS36SN2 | ½ºÅ×Àη¹½º(SUS304) | 36 | 14 | 63 | 51 | 24.5 | 2.5 | 0.5 | - |
| BS40SN2 | ½ºÅ×Àη¹½º(SUS304) | 40 | 14 | 68 | 55 | 26.5 | 2.5 | 0.5 | - |
| BS45SN2 | ½ºÅ×Àη¹½º(SUS304) | 45 | 14 | 79 | 63 | 29 | 2.5 | 0.5 | - |
| BS50SN2 | ½ºÅ×Àη¹½º(SUS304) | 50 | 14 | 86 | 69 | 31.5 | 2.5 | 0.5 | - |
| Çü½Ä | ´ÜÀ§ | ÆÇ¸ÅÁ¤°¡ (¿ø) | ±âÁس³±â | ±âÁس³±â | ±âÁس³±â | Áú·® | °ßÀûÀÇ·Ú ¹× ÁÖ¹® |
| Çü½Ä | ´ÜÀ§ | ÆÇ¸ÅÁ¤°¡ (¿ø) | À¯ÅëÀç°í | ¸ÞÀÌÄ¿Àç°í | ¾Æ¸°Àç°í | Áú·® | °ßÀûÀÇ·Ú ¹× ÁÖ¹® |
| BS10CN2 | P | 15,840 | - | - | - | - | °ßÀûÀÇ·Ú / ÁÖ¹® |
| BS12CN2 | P | 16,720 | - | - | - | - | °ßÀûÀÇ·Ú / ÁÖ¹® |
| BS15CN2 | P | 17,600 | - | - | - | - | °ßÀûÀÇ·Ú / ÁÖ¹® |
| BS20CN2 | P | 18,920 | - | - | - | - | °ßÀûÀÇ·Ú / ÁÖ¹® |
| BS25CN2 | P | 19,800 | - | - | - | - | °ßÀûÀÇ·Ú / ÁÖ¹® |
| BS30CN2 | P | 20,680 | - | - | - | - | °ßÀûÀÇ·Ú / ÁÖ¹® |
| BS36CN2 | P | 22,440 | - | - | - | - | °ßÀûÀÇ·Ú / ÁÖ¹® |
| BS40CN2 | P | 24,640 | - | - | - | - | °ßÀûÀÇ·Ú / ÁÖ¹® |
| BS45CN2 | P | 26,840 | - | - | - | - | °ßÀûÀÇ·Ú / ÁÖ¹® |
| BS50CN2 | P | 29,040 | - | - | - | - | °ßÀûÀÇ·Ú / ÁÖ¹® |
| BS10SN2 | P | 24,200 | - | - | - | - | °ßÀûÀÇ·Ú / ÁÖ¹® |
| BS12SN2 | P | 26,400 | - | - | - | - | °ßÀûÀÇ·Ú / ÁÖ¹® |
| BS15SN2 | P | 28,600 | - | - | - | - | °ßÀûÀÇ·Ú / ÁÖ¹® |
| BS20SN2 | P | 31,900 | - | - | - | - | °ßÀûÀÇ·Ú / ÁÖ¹® |
| BS25SN2 | P | 34,100 | - | - | - | - | °ßÀûÀÇ·Ú / ÁÖ¹® |
| BS30SN2 | P | 36,300 | - | - | - | - | °ßÀûÀÇ·Ú / ÁÖ¹® |
| BS36SN2 | P | 38,500 | - | - | - | - | °ßÀûÀÇ·Ú / ÁÖ¹® |
| BS40SN2 | P | 40,700 | - | - | - | - | °ßÀûÀÇ·Ú / ÁÖ¹® |
| BS45SN2 | P | 42,900 | - | - | - | - | °ßÀûÀÇ·Ú / ÁÖ¹® |
| BS50SN2 | P | 45,100 | - | - | - | - | °ßÀûÀÇ·Ú / ÁÖ¹® |
![]() |
- ¾Æ¸°Àç°í°¡ ÀÖ´Â »óǰÀº °áÀç°¡ ¿Ï·áµÇ¸é °áÀçÇÑ ´ÙÀ½³¯ºÎÅÍ 1~3ÀÏ À̳» Àü±¹(µµ¼Áö¹æÁ¦¿Ü)À¸·Î Åù踦 ÅëÇØ ¹è¼ÛµË´Ï´Ù. - ¾Æ¸°Àç°í°¡ ¾ø´Â ¼öÀÔǰÀÇ °æ¿ì´Â ³³Ç°±îÁö ¼öÀÏ ³»Áö ¼öÁÖ°¡ ¼Ò¿äµÉ ¼ö ÀÖÀ¸¹Ç·Î ÁÖ¹®Àü¿¡ ´ç»ç¿¡ ³³±â¸¦ ¹Ì¸® È®ÀÎÇÏ¿© ÁֽʽÿÀ. - Á¦Ç°Å©±â¿¡ µû¶ó Åù質 ȹ°¿î¼Û¾÷ü¸¦ ÅëÇØ ¹è¼ÛÇØ µå¸®¸ç, ÁÖ¹®±Ý¾× 20¸¸¿ø ÀÌÇÏÀÇ °æ¿ì 5,500¿øÀÇ ¹è¼Ûºñ°¡ Ãß°¡µË´Ï´Ù. - Á¦ÁÖµµ µî µµ¼Áö¿ªÀÇ °æ¿ì Ãß°¡¹è¼Û ±Ý¾×ÀÌ ¹ß»ýÇÒ ¼ö ÀÖÀ¸´Ï ÁÖ¹®Àü¿¡ °í°´¼¾ÅÍ·Î ¹®ÀÇ ÁֽʽÿÀ.
|
![]() |
- Á¦Ç°À» ¹Þ¾Æº¸½Ã°í ÀÌ»óÀÌ ÀÖÀ» °æ¿ì¿¡ ÇÑÇÏ¿© ¹è¼Û ÈÄ 14ÀÏ À̳»¿¡ ±³È¯ ¹× ¹ÝǰÀÌ °¡´ÉÇÕ´Ï´Ù. - »óǰ´ë±ÝÀ» ½Å¿ëÄ«µå·Î °áÁ¦ÇÑ °æ¿ì´Â ¸ÅÃâÀ» Ãë¼ÒÇØµå¸®¸ç, ¿Â¶óÀÎÀ¸·Î ÀÔ±ÝÇÑ °æ¿ì¿¡´Â ÁÖ¹®ÀÚÀÇ °èÁ¹øÈ£·Î 3Àϳ»·Î ÀÔ±Ý Ã³¸®ÇØ µå¸³´Ï´Ù. |




















