·Ñ·¯ÇÃ·Î¾î  
º¹¿¿øÅë·Ñ·¯·Ñ·¯Ç÷οö NURT
ÀϺ»Åè½¼(ÁÖ) ( NIPPON THOMPSON ) 
|  | 
| 36°Ç Áß 1~36°Ç Ç¥½Ã | |
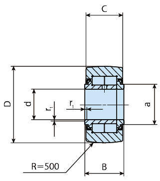
| Çü½Ä | ·Ñ·¯ÀÇ ¾È³»Çü½Ä | ŸÀÔ | ¿Ü·û¿Ü°æ¸éÀÇ Çü»ó | ¾ÁºÎÀ§ ±¸Á¶ | ȣιøÈ£ | ÁÖ¿äÄ¡¼ö(mm) | ÁÖ¿äÄ¡¼ö(mm) | ÁÖ¿äÄ¡¼ö(mm) | ÁÖ¿äÄ¡¼ö(mm) | ÁÖ¿äÄ¡¼ö(mm) | 
| Çü½Ä | ·Ñ·¯ÀÇ ¾È³»Çü½Ä | ŸÀÔ | ¿Ü·û¿Ü°æ¸éÀÇ Çü»ó | ¾ÁºÎÀ§ ±¸Á¶ | ȣιøÈ£ | d | D | B | C | a | 
| NURT15 | ÃѴϵé | ³»·ûºÙÀÌ | ¿øÅë¿Ü·û | ½ÇµåÇü | 15 | 15 | 35 | 19 | 18 | 20 | 
| NURT15-1 | ÃѴϵé | ³»·ûºÙÀÌ | ¿øÅë¿Ü·û | ½ÇµåÇü | 15 | 15 | 42 | 19 | 18 | 20 | 
| NURT17 | ÃѴϵé | ³»·ûºÙÀÌ | ¿øÅë¿Ü·û | ½ÇµåÇü | 17 | 17 | 40 | 21 | 20 | 22 | 
| NURT17-1 | ÃѴϵé | ³»·ûºÙÀÌ | ¿øÅë¿Ü·û | ½ÇµåÇü | 17 | 17 | 47 | 21 | 20 | 22 | 
| NURT20 | ÃѴϵé | ³»·ûºÙÀÌ | ¿øÅë¿Ü·û | ½ÇµåÇü | 20 | 20 | 47 | 25 | 24 | 27 | 
| NURT20-1 | ÃѴϵé | ³»·ûºÙÀÌ | ¿øÅë¿Ü·û | ½ÇµåÇü | 20 | 20 | 52 | 25 | 24 | 27 | 
| NURT25 | ÃѴϵé | ³»·ûºÙÀÌ | ¿øÅë¿Ü·û | ½ÇµåÇü | 25 | 25 | 52 | 25 | 24 | 31 | 
| NURT25-1 | ÃѴϵé | ³»·ûºÙÀÌ | ¿øÅë¿Ü·û | ½ÇµåÇü | 25 | 25 | 62 | 25 | 24 | 31 | 
| NURT30 | ÃѴϵé | ³»·ûºÙÀÌ | ¿øÅë¿Ü·û | ½ÇµåÇü | 30 | 30 | 62 | 29 | 28 | 38 | 
| NURT30-1 | ÃѴϵé | ³»·ûºÙÀÌ | ¿øÅë¿Ü·û | ½ÇµåÇü | 30 | 30 | 72 | 29 | 28 | 38 | 
| NURT35 | ÃѴϵé | ³»·ûºÙÀÌ | ¿øÅë¿Ü·û | ½ÇµåÇü | 35 | 35 | 72 | 29 | 28 | 44 | 
| NURT35-1 | ÃѴϵé | ³»·ûºÙÀÌ | ¿øÅë¿Ü·û | ½ÇµåÇü | 35 | 35 | 80 | 29 | 28 | 44 | 
| NURT40 | ÃѴϵé | ³»·ûºÙÀÌ | ¿øÅë¿Ü·û | ½ÇµåÇü | 40 | 40 | 80 | 32 | 30 | 49 | 
| NURT40-1 | ÃѴϵé | ³»·ûºÙÀÌ | ¿øÅë¿Ü·û | ½ÇµåÇü | 40 | 40 | 90 | 32 | 30 | 49 | 
| NURT45 | ÃѴϵé | ³»·ûºÙÀÌ | ¿øÅë¿Ü·û | ½ÇµåÇü | 45 | 45 | 85 | 32 | 30 | 53 | 
| NURT45-1 | ÃѴϵé | ³»·ûºÙÀÌ | ¿øÅë¿Ü·û | ½ÇµåÇü | 45 | 45 | 100 | 32 | 30 | 53 | 
| NURT50 | ÃѴϵé | ³»·ûºÙÀÌ | ¿øÅë¿Ü·û | ½ÇµåÇü | 50 | 50 | 90 | 32 | 30 | 58 | 
| NURT50-1 | ÃѴϵé | ³»·ûºÙÀÌ | ¿øÅë¿Ü·û | ½ÇµåÇü | 50 | 50 | 110 | 32 | 30 | 58 | 
| NURT15R | ÃѴϵé | ³»·ûºÙÀÌ | ±¸¸é¿Ü·û | ½ÇµåÇü | 15 | 15 | 35 | 19 | 18 | 20 | 
| NURT15-1R | ÃѴϵé | ³»·ûºÙÀÌ | ±¸¸é¿Ü·û | ½ÇµåÇü | 15 | 15 | 42 | 19 | 18 | 20 | 
| NURT17R | ÃѴϵé | ³»·ûºÙÀÌ | ±¸¸é¿Ü·û | ½ÇµåÇü | 17 | 17 | 40 | 21 | 20 | 22 | 
| NURT17-1R | ÃѴϵé | ³»·ûºÙÀÌ | ±¸¸é¿Ü·û | ½ÇµåÇü | 17 | 17 | 47 | 21 | 20 | 22 | 
| NURT20R | ÃѴϵé | ³»·ûºÙÀÌ | ±¸¸é¿Ü·û | ½ÇµåÇü | 20 | 20 | 47 | 25 | 24 | 27 | 
| NURT20-1R | ÃѴϵé | ³»·ûºÙÀÌ | ±¸¸é¿Ü·û | ½ÇµåÇü | 20 | 20 | 52 | 25 | 24 | 27 | 
| NURT25R | ÃѴϵé | ³»·ûºÙÀÌ | ±¸¸é¿Ü·û | ½ÇµåÇü | 25 | 25 | 52 | 25 | 24 | 31 | 
| NURT25-1R | ÃѴϵé | ³»·ûºÙÀÌ | ±¸¸é¿Ü·û | ½ÇµåÇü | 25 | 25 | 62 | 25 | 24 | 31 | 
| NURT30R | ÃѴϵé | ³»·ûºÙÀÌ | ±¸¸é¿Ü·û | ½ÇµåÇü | 30 | 30 | 62 | 29 | 28 | 38 | 
| NURT30-1R | ÃѴϵé | ³»·ûºÙÀÌ | ±¸¸é¿Ü·û | ½ÇµåÇü | 30 | 30 | 72 | 29 | 28 | 38 | 
| NURT35R | ÃѴϵé | ³»·ûºÙÀÌ | ±¸¸é¿Ü·û | ½ÇµåÇü | 35 | 35 | 72 | 29 | 28 | 44 | 
| NURT35-1R | ÃѴϵé | ³»·ûºÙÀÌ | ±¸¸é¿Ü·û | ½ÇµåÇü | 35 | 35 | 80 | 29 | 28 | 44 | 
| NURT40R | ÃѴϵé | ³»·ûºÙÀÌ | ±¸¸é¿Ü·û | ½ÇµåÇü | 40 | 40 | 80 | 32 | 30 | 49 | 
| NURT40-1R | ÃѴϵé | ³»·ûºÙÀÌ | ±¸¸é¿Ü·û | ½ÇµåÇü | 40 | 40 | 90 | 32 | 30 | 49 | 
| NURT45R | ÃѴϵé | ³»·ûºÙÀÌ | ±¸¸é¿Ü·û | ½ÇµåÇü | 45 | 45 | 85 | 32 | 30 | 53 | 
| NURT45-1R | ÃѴϵé | ³»·ûºÙÀÌ | ±¸¸é¿Ü·û | ½ÇµåÇü | 45 | 45 | 100 | 32 | 30 | 53 | 
| NURT50R | ÃѴϵé | ³»·ûºÙÀÌ | ±¸¸é¿Ü·û | ½ÇµåÇü | 50 | 50 | 90 | 32 | 30 | 58 | 
| NURT50-1R | ÃѴϵé | ³»·ûºÙÀÌ | ±¸¸é¿Ü·û | ½ÇµåÇü | 50 | 50 | 110 | 32 | 30 | 58 | 
| Çü½Ä | ±âº»µ¿ Á¤°ÝÇÏÁß C (N) | ±âº»Á¤ Á¤°ÝÇÏÁß CO (N) | ÃÖ´ëÁ¤Çã¿ëÇÏÁß (N) | Æ®·¢ºÎÇÏÁß·®(N) | Æ®·¢ºÎÇÏÁß·®(N) | 
| Çü½Ä | ±âº»µ¿ Á¤°ÝÇÏÁß C (N) | ±âº»Á¤ Á¤°ÝÇÏÁß CO (N) | ÃÖ´ëÁ¤Çã¿ëÇÏÁß (N) | ±¸¸é¿Ü·û | ¿øÅë¿Ü·û | 
| NURT15 | 23400 | 27300 | 11800 | 3060 | 11500 | 
| NURT15-1 | 23400 | 27300 | 27300 | 3910 | 13700 | 
| NURT17 | 25200 | 30900 | 20300 | 3660 | 13600 | 
| NURT17-1 | 25200 | 30900 | 30900 | 4530 | 16000 | 
| NURT20 | 38900 | 49000 | 27200 | 4530 | 20000 | 
| NURT20-1 | 38900 | 49000 | 49000 | 5190 | 22100 | 
| NURT25 | 43100 | 58100 | 30000 | 5190 | 22100 | 
| NURT25-1 | 43100 | 58100 | 58100 | 6580 | 26400 | 
| NURT30 | 58200 | 75300 | 35200 | 6580 | 31600 | 
| NURT30-1 | 58200 | 75300 | 75300 | 8020 | 36700 | 
| NURT35 | 63900 | 88800 | 57000 | 8020 | 36700 | 
| NURT35-1 | 63900 | 88800 | 88800 | 9220 | 40800 | 
| NURT40 | 86500 | 122000 | 75300 | 9220 | 44200 | 
| NURT40-1 | 86500 | 122000 | 122000 | 10800 | 49700 | 
| NURT45 | 91500 | 135000 | 78700 | 9990 | 47000 | 
| NURT45-1 | 91500 | 135000 | 135000 | 12400 | 55300 | 
| NURT50 | 96300 | 148000 | 82100 | 10800 | 49700 | 
| NURT50-1 | 96300 | 148000 | 148000 | 14000 | 60800 | 
| NURT15R | 23400 | 27300 | 11800 | 3060 | 11500 | 
| NURT15-1R | 23400 | 27300 | 27300 | 3910 | 13700 | 
| NURT17R | 25200 | 30900 | 20300 | 3660 | 13600 | 
| NURT17-1R | 25200 | 30900 | 30900 | 4530 | 16000 | 
| NURT20R | 38900 | 49000 | 27200 | 4530 | 20000 | 
| NURT20-1R | 38900 | 49000 | 49000 | 5190 | 22100 | 
| NURT25R | 43100 | 58100 | 30000 | 5190 | 22100 | 
| NURT25-1R | 43100 | 58100 | 58100 | 6580 | 26400 | 
| NURT30R | 58200 | 75300 | 35200 | 6580 | 31600 | 
| NURT30-1R | 58200 | 75300 | 75300 | 8020 | 36700 | 
| NURT35R | 63900 | 88800 | 57000 | 8020 | 36700 | 
| NURT35-1R | 63900 | 88800 | 88800 | 9220 | 40800 | 
| NURT40R | 86500 | 122000 | 75300 | 9220 | 44200 | 
| NURT40-1R | 86500 | 122000 | 122000 | 10800 | 49700 | 
| NURT45R | 91500 | 135000 | 78700 | 9990 | 47000 | 
| NURT45-1R | 91500 | 135000 | 135000 | 12400 | 55300 | 
| NURT50R | 96300 | 148000 | 82100 | 10800 | 49700 | 
| NURT50-1R | 96300 | 148000 | 148000 | 14000 | 60800 | 
| Çü½Ä | ´ÜÀ§ | ÆÇ¸ÅÁ¤°¡ (¿ø) | ±âÁس³±â | ±âÁس³±â | ±âÁس³±â | Áú·® | °ßÀûÀÇ·Ú ¹× ÁÖ¹® | 
| Çü½Ä | ´ÜÀ§ | ÆÇ¸ÅÁ¤°¡ (¿ø) | À¯ÅëÀç°í | ¸ÞÀÌÄ¿Àç°í | ¾Æ¸°Àç°í | Áú·® | °ßÀûÀÇ·Ú ¹× ÁÖ¹® | 
| NURT15 | P | 140,800 | - | - | - | - | °ßÀûÀÇ·Ú / ÁÖ¹® | 
| NURT15-1 | P | 155,100 | - | - | - | - | °ßÀûÀÇ·Ú / ÁÖ¹® | 
| NURT17 | P | 149,600 | - | - | - | - | °ßÀûÀÇ·Ú / ÁÖ¹® | 
| NURT17-1 | P | 159,500 | - | - | - | - | °ßÀûÀÇ·Ú / ÁÖ¹® | 
| NURT20 | P | 183,700 | - | - | - | - | °ßÀûÀÇ·Ú / ÁÖ¹® | 
| NURT20-1 | P | 198,000 | - | - | - | - | °ßÀûÀÇ·Ú / ÁÖ¹® | 
| NURT25 | P | 198,000 | - | - | - | - | °ßÀûÀÇ·Ú / ÁÖ¹® | 
| NURT25-1 | P | 207,900 | - | - | - | - | °ßÀûÀÇ·Ú / ÁÖ¹® | 
| NURT30 | P | 213,400 | - | - | - | - | °ßÀûÀÇ·Ú / ÁÖ¹® | 
| NURT30-1 | P | 224,400 | - | - | - | - | °ßÀûÀÇ·Ú / ÁÖ¹® | 
| NURT35 | P | 244,200 | - | - | - | - | °ßÀûÀÇ·Ú / ÁÖ¹® | 
| NURT35-1 | P | 297,000 | - | - | - | - | °ßÀûÀÇ·Ú / ÁÖ¹® | 
| NURT40 | P | 299,200 | - | - | - | - | °ßÀûÀÇ·Ú / ÁÖ¹® | 
| NURT40-1 | P | 380,600 | - | - | - | - | °ßÀûÀÇ·Ú / ÁÖ¹® | 
| NURT45 | P | 332,200 | - | - | - | - | °ßÀûÀÇ·Ú / ÁÖ¹® | 
| NURT45-1 | P | 457,600 | - | - | - | - | °ßÀûÀÇ·Ú / ÁÖ¹® | 
| NURT50 | P | 398,200 | - | - | - | - | °ßÀûÀÇ·Ú / ÁÖ¹® | 
| NURT50-1 | P | 503,800 | - | - | - | - | °ßÀûÀÇ·Ú / ÁÖ¹® | 
| NURT15R | P | 176,000 | - | - | - | - | °ßÀûÀÇ·Ú / ÁÖ¹® | 
| NURT15-1R | P | 193,600 | - | - | - | - | °ßÀûÀÇ·Ú / ÁÖ¹® | 
| NURT17R | P | 187,000 | - | - | - | - | °ßÀûÀÇ·Ú / ÁÖ¹® | 
| NURT17-1R | P | 199,100 | - | - | - | - | °ßÀûÀÇ·Ú / ÁÖ¹® | 
| NURT20R | P | 233,200 | - | - | - | - | °ßÀûÀÇ·Ú / ÁÖ¹® | 
| NURT20-1R | P | 250,800 | - | - | - | - | °ßÀûÀÇ·Ú / ÁÖ¹® | 
| NURT25R | P | 250,800 | - | - | - | - | °ßÀûÀÇ·Ú / ÁÖ¹® | 
| NURT25-1R | P | 261,800 | - | - | - | - | °ßÀûÀÇ·Ú / ÁÖ¹® | 
| NURT30R | P | 268,400 | - | - | - | - | °ßÀûÀÇ·Ú / ÁÖ¹® | 
| NURT30-1R | P | 279,400 | - | - | - | - | °ßÀûÀÇ·Ú / ÁÖ¹® | 
| NURT35R | P | 305,800 | - | - | - | - | °ßÀûÀÇ·Ú / ÁÖ¹® | 
| NURT35-1R | P | 369,600 | - | - | - | - | °ßÀûÀÇ·Ú / ÁÖ¹® | 
| NURT40R | P | 374,000 | - | - | - | - | °ßÀûÀÇ·Ú / ÁÖ¹® | 
| NURT40-1R | P | 473,000 | - | - | - | - | °ßÀûÀÇ·Ú / ÁÖ¹® | 
| NURT45R | P | 413,600 | - | - | - | - | °ßÀûÀÇ·Ú / ÁÖ¹® | 
| NURT45-1R | P | 569,800 | - | - | - | - | °ßÀûÀÇ·Ú / ÁÖ¹® | 
| NURT50R | P | 497,200 | - | - | - | - | °ßÀûÀÇ·Ú / ÁÖ¹® | 
| NURT50-1R | P | 631,400 | - | - | - | - | °ßÀûÀÇ·Ú / ÁÖ¹® | 
|  | - ¾Æ¸°Àç°í°¡ ÀÖ´Â »óǰÀº °áÀç°¡ ¿Ï·áµÇ¸é °áÀçÇÑ ´ÙÀ½³¯ºÎÅÍ 1~3ÀÏ À̳» Àü±¹(µµ¼Áö¹æÁ¦¿Ü)À¸·Î Åù踦 ÅëÇØ ¹è¼ÛµË´Ï´Ù. - ¾Æ¸°Àç°í°¡ ¾ø´Â ¼öÀÔǰÀÇ °æ¿ì´Â ³³Ç°±îÁö ¼öÀÏ ³»Áö ¼öÁÖ°¡ ¼Ò¿äµÉ ¼ö ÀÖÀ¸¹Ç·Î ÁÖ¹®Àü¿¡ ´ç»ç¿¡ ³³±â¸¦ ¹Ì¸® È®ÀÎÇÏ¿© ÁֽʽÿÀ. - Á¦Ç°Å©±â¿¡ µû¶ó Åù質 ȹ°¿î¼Û¾÷ü¸¦ ÅëÇØ ¹è¼ÛÇØ µå¸®¸ç, ÁÖ¹®±Ý¾× 20¸¸¿ø ÀÌÇÏÀÇ °æ¿ì 5,500¿øÀÇ ¹è¼Ûºñ°¡ Ãß°¡µË´Ï´Ù. - Á¦ÁÖµµ µî µµ¼Áö¿ªÀÇ °æ¿ì Ãß°¡¹è¼Û ±Ý¾×ÀÌ ¹ß»ýÇÒ ¼ö ÀÖÀ¸´Ï ÁÖ¹®Àü¿¡ °í°´¼¾ÅÍ·Î ¹®ÀÇ ÁֽʽÿÀ. 
 | 
|  | - Á¦Ç°À» ¹Þ¾Æº¸½Ã°í ÀÌ»óÀÌ ÀÖÀ» °æ¿ì¿¡ ÇÑÇÏ¿© ¹è¼Û ÈÄ 14ÀÏ À̳»¿¡ ±³È¯ ¹× ¹ÝǰÀÌ °¡´ÉÇÕ´Ï´Ù. - »óǰ´ë±ÝÀ» ½Å¿ëÄ«µå·Î °áÁ¦ÇÑ °æ¿ì´Â ¸ÅÃâÀ» Ãë¼ÒÇØµå¸®¸ç, ¿Â¶óÀÎÀ¸·Î ÀÔ±ÝÇÑ °æ¿ì¿¡´Â ÁÖ¹®ÀÚÀÇ °èÁ¹øÈ£·Î 3Àϳ»·Î ÀÔ±Ý Ã³¸®ÇØ µå¸³´Ï´Ù. | 


















