°¢Ç÷£ÁöÇüÀ¯´ÏÆ®
NCF °¢Ç÷£ÁöÇü(µ¿½ÉÄ®¶óÆ÷ÇÔ)
ÀϺ»Çʷκí·Ï(ÁÖ) ( FYH )
|
|
| 9°Ç Áß 1~9°Ç Ç¥½Ã | |
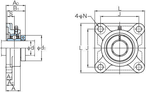
| Çü½Ä | ŸÀÔ | ŸÀÔ | Ãà°æ d (mm) | Ä¡¼ö(mm) | Ä¡¼ö(mm) | Ä¡¼ö(mm) |
| Çü½Ä | º£¾î¸µÇÏ¿ì¡ | º£¾î¸µ | Ãà°æ d (mm) | L | A | J |
| Çü½Ä | º£¾î¸µÇÏ¿ì¡ | º£¾î¸µ | Ãà°æ d (mm) | L | A | J |
| NCF204 | Ç¥ÁØÇ° | µ¿½ÉÄ®¶óºÙÀÌ | 20 | 86 | 25.5 | 64 |
| NCF205 | Ç¥ÁØÇ° | µ¿½ÉÄ®¶óºÙÀÌ | 25 | 95 | 27 | 70 |
| NCF206 | Ç¥ÁØÇ° | µ¿½ÉÄ®¶óºÙÀÌ | 30 | 108 | 31 | 83 |
| NCF207 | Ç¥ÁØÇ° | µ¿½ÉÄ®¶óºÙÀÌ | 35 | 117 | 34 | 92 |
| NCF208 | Ç¥ÁØÇ° | µ¿½ÉÄ®¶óºÙÀÌ | 40 | 130 | 36 | 102 |
| NCF209 | Ç¥ÁØÇ° | µ¿½ÉÄ®¶óºÙÀÌ | 45 | 137 | 38 | 105 |
| NCF210 | Ç¥ÁØÇ° | µ¿½ÉÄ®¶óºÙÀÌ | 50 | 143 | 40 | 111 |
| NCF211 | Ç¥ÁØÇ° | µ¿½ÉÄ®¶óºÙÀÌ | 55 | 162 | 43 | 130 |
| NCF212 | Ç¥ÁØÇ° | µ¿½ÉÄ®¶óºÙÀÌ | 60 | 175 | 48 | 143 |
| Çü½Ä | Ä¡¼ö(mm) | Ä¡¼ö(mm) | Ä¡¼ö(mm) | Ä¡¼ö(mm) | Ä¡¼ö(mm) | Ä¡¼ö(mm) | Ä¡¼ö(mm) | ÃëºÎ º¼Æ® ȣĪ |
| Çü½Ä | N | A1 | A2 | A0 | B1 | S | d1 | ÃëºÎ º¼Æ® ȣĪ |
| Çü½Ä | N | A1 | A2 | A0 | B1 | S | d1 | ÃëºÎ º¼Æ® ȣĪ |
| NCF204 | 12 | 11 | 15 | 34.8 | 32.5 | 12.7 | 44.5 | M10 |
| NCF205 | 12 | 13 | 16 | 38.2 | 36.5 | 14.3 | 49.2 | M10 |
| NCF206 | 12 | 13 | 18 | 41.8 | 39.7 | 15.9 | 55.6 | M10 |
| NCF207 | 14 | 15 | 19 | 46 | 44.5 | 17.5 | 65.1 | M12 |
| NCF208 | 16 | 15 | 21 | 52.8 | 50.8 | 19 | 68.3 | M14 |
| NCF209 | 16 | 16 | 22 | 53.8 | 50.8 | 19 | 74.6 | M14 |
| NCF210 | 16 | 16 | 22 | 56.1 | 53.1 | 19 | 85.7 | M14 |
| NCF211 | 19 | 18 | 25 | 59.9 | 57.1 | 22.2 | 92.1 | M16 |
| NCF212 | 19 | 18 | 29 | 70.3 | 66.7 | 25.4 | 104.8 | M16 |
| Çü½Ä | Àû¿ë º£¾î¸µÇÏ¿ì¡ | Àû¿ëº£¾î¸µ | Àû¿ëº£¾î¸µ | Àû¿ëº£¾î¸µ | Àû¿ëº£¾î¸µ |
| Çü½Ä | Àû¿ë º£¾î¸µÇÏ¿ì¡ | ȣιøÈ£ | ±âº»Á¤°ÝÇÏÁß(kN) | ±âº»Á¤°ÝÇÏÁß(kN) | °è¼ö f0 |
| Çü½Ä | Àû¿ë º£¾î¸µÇÏ¿ì¡ | ȣιøÈ£ | Cr | C0r | °è¼ö f0 |
| NCF204 | F204 | NC204 | 12.8 | 6.65 | 13.2 |
| NCF205 | F205 | NC205 | 14 | 7.85 | 13.9 |
| NCF206 | F206 | NC206 | 19.5 | 11.3 | 13.9 |
| NCF207 | F207 | NC207 | 25.7 | 15.4 | 13.9 |
| NCF208 | F208 | NC208 | 29.1 | 17.8 | 14 |
| NCF209 | F209 | NC209 | 34.1 | 21.3 | 14 |
| NCF210 | F210 | NC210 | 35.1 | 23.3 | 14.4 |
| NCF211 | F211 | NC211 | 43.4 | 29.4 | 14.4 |
| NCF212 | F212 | NC212 | 52.4 | 36.2 | 14.4 |
| Çü½Ä | ´ÜÀ§ | ÆÇ¸ÅÁ¤°¡ (¿ø) | ±âÁس³±â | ±âÁس³±â | ±âÁس³±â | Âü°í À¯´ÏÆ®Áú·® (kg) | °ßÀûÀÇ·Ú ¹× ÁÖ¹® |
| Çü½Ä | ´ÜÀ§ | ÆÇ¸ÅÁ¤°¡ (¿ø) | À¯ÅëÀç°í | ¸ÞÀÌÄ¿Àç°í | ¾Æ¸°Àç°í | Âü°í À¯´ÏÆ®Áú·® (kg) | °ßÀûÀÇ·Ú ¹× ÁÖ¹® |
| Çü½Ä | ´ÜÀ§ | ÆÇ¸ÅÁ¤°¡ (¿ø) | À¯ÅëÀç°í | ¸ÞÀÌÄ¿Àç°í | ¾Æ¸°Àç°í | Âü°í À¯´ÏÆ®Áú·® (kg) | °ßÀûÀÇ·Ú ¹× ÁÖ¹® |
| NCF204 | P | 82,720 | - | - | - | 1 | °ßÀûÀÇ·Ú / ÁÖ¹® |
| NCF205 | P | 91,520 | - | - | - | 1 | °ßÀûÀÇ·Ú / ÁÖ¹® |
| NCF206 | P | 123,200 | - | - | - | 1 | °ßÀûÀÇ·Ú / ÁÖ¹® |
| NCF207 | P | 143,000 | - | - | - | 2 | °ßÀûÀÇ·Ú / ÁÖ¹® |
| NCF208 | P | 171,600 | - | - | - | 2 | °ßÀûÀÇ·Ú / ÁÖ¹® |
| NCF209 | P | 196,900 | - | - | - | 3 | °ßÀûÀÇ·Ú / ÁÖ¹® |
| NCF210 | P | 250,800 | - | - | - | 3 | °ßÀûÀÇ·Ú / ÁÖ¹® |
| NCF211 | P | 321,200 | - | - | - | 4 | °ßÀûÀÇ·Ú / ÁÖ¹® |
| NCF212 | P | 415,800 | - | - | - | 5 | °ßÀûÀÇ·Ú / ÁÖ¹® |
![]() |
- ¾Æ¸°Àç°í°¡ ÀÖ´Â »óǰÀº °áÀç°¡ ¿Ï·áµÇ¸é °áÀçÇÑ ´ÙÀ½³¯ºÎÅÍ 1~3ÀÏ À̳» Àü±¹(µµ¼Áö¹æÁ¦¿Ü)À¸·Î Åù踦 ÅëÇØ ¹è¼ÛµË´Ï´Ù. - ¾Æ¸°Àç°í°¡ ¾ø´Â ¼öÀÔǰÀÇ °æ¿ì´Â ³³Ç°±îÁö ¼öÀÏ ³»Áö ¼öÁÖ°¡ ¼Ò¿äµÉ ¼ö ÀÖÀ¸¹Ç·Î ÁÖ¹®Àü¿¡ ´ç»ç¿¡ ³³±â¸¦ ¹Ì¸® È®ÀÎÇÏ¿© ÁֽʽÿÀ. - Á¦Ç°Å©±â¿¡ µû¶ó Åù質 ȹ°¿î¼Û¾÷ü¸¦ ÅëÇØ ¹è¼ÛÇØ µå¸®¸ç, ÁÖ¹®±Ý¾× 20¸¸¿ø ÀÌÇÏÀÇ °æ¿ì 5,500¿øÀÇ ¹è¼Ûºñ°¡ Ãß°¡µË´Ï´Ù. - Á¦ÁÖµµ µî µµ¼Áö¿ªÀÇ °æ¿ì Ãß°¡¹è¼Û ±Ý¾×ÀÌ ¹ß»ýÇÒ ¼ö ÀÖÀ¸´Ï ÁÖ¹®Àü¿¡ °í°´¼¾ÅÍ·Î ¹®ÀÇ ÁֽʽÿÀ.
|
![]() |
- Á¦Ç°À» ¹Þ¾Æº¸½Ã°í ÀÌ»óÀÌ ÀÖÀ» °æ¿ì¿¡ ÇÑÇÏ¿© ¹è¼Û ÈÄ 14ÀÏ À̳»¿¡ ±³È¯ ¹× ¹ÝǰÀÌ °¡´ÉÇÕ´Ï´Ù. - »óǰ´ë±ÝÀ» ½Å¿ëÄ«µå·Î °áÁ¦ÇÑ °æ¿ì´Â ¸ÅÃâÀ» Ãë¼ÒÇØµå¸®¸ç, ¿Â¶óÀÎÀ¸·Î ÀÔ±ÝÇÑ °æ¿ì¿¡´Â ÁÖ¹®ÀÚÀÇ °èÁ¹øÈ£·Î 3Àϳ»·Î ÀÔ±Ý Ã³¸®ÇØ µå¸³´Ï´Ù. |


















